В статье рассмотрим схемы электропроводки автомобилей УАЗ: 2206, 2112, 3909, а также замену проводки на моделях 390995, 39099 и 396255. Понимание электрической схемы автомобиля важно для успешного ремонта и обслуживания, особенно при мультифункциональном управлении. Предоставим пошаговые инструкции, фото и видео-уроки для самостоятельной замены проводки, что сэкономит средства и повысит уверенность в работе с автомобилем.
Платформа для конвейерных моделей
Знаменитая «Буханка», благодаря своему цельнометаллическому кузову, стала основой для разработки целого ряда транспортных средств под моделью «452»:
- УАЗ 2206 – микроавтобус, вмещающий 11 человек;
 - УАЗ 3962 – автомобиль, предназначенный для службы скорой помощи;
 - УАЗ 396255 – гражданская версия санитарного автомобиля, адаптированная для нужд сельской местности;
 - УАЗ 39099 – известен под названием «Фермер». Вмещает 6 пассажиров и способен перевозить 450 кг груза;
 - УАЗ 3741 – фургон, рассчитанный на 2 пассажиров и 850 кг груза;
 - УАЗ 3303 – бортовой автомобиль с открытым кузовом;
 - УАЗ 3904 – грузопассажирская модель, которая сочетает в себе удобства цельнометаллического кузова для пассажиров и открытого кузова для грузов.
 
Примечание: во всех версиях используется электропроводка от УАЗ 2206, из которой для каждой модели были исключены неиспользуемые элементы, выполняющие определенные функции в интерьере автомобиля.
Эксперты отмечают, что схема электропроводки УАЗ с мультифункциональным управлением представляет собой значительный шаг вперед в области автомобильной электроники. Основной особенностью таких модификаций является интеграция различных систем управления, что позволяет водителю более эффективно управлять функциями автомобиля. Например, управление освещением, стеклоочистителями и мультимедийной системой осуществляется через единый интерфейс, что упрощает эксплуатацию и повышает комфорт.
Кроме того, специалисты подчеркивают важность надежности и устойчивости таких систем к внешним воздействиям, что особенно актуально для внедорожников, эксплуатируемых в сложных условиях. Современные схемы электропроводки также обеспечивают более высокую степень диагностики, позволяя быстро выявлять и устранять неисправности. В целом, внедрение мультифункционального управления в электропроводку УАЗ открывает новые горизонты для улучшения функциональности и безопасности автомобилей.

Особенности модификации с мультифункциональным управлением
Вариации с кузовом автомобиля не слишком сильно влияли на его техническую комплектацию. А вот когда изменения коснулись органов управления, то модернизации подверглись:
- Внутрисалонная проводка на УАЗ;
 - Подрулевой узел управления поворотами и наружным освещением;
 - Блок управления работой электрических стеклоочистителей на панели приборов.
 
| Модификация УАЗ | Особенности мультифункционального управления | Ключевые элементы схемы электропроводки | 
|---|---|---|
| УАЗ Патриот (до 2016 г.) | Ограниченный функционал: управление стеклоподъемниками, центральным замком, базовым освещением. | Блок управления кузовной электроникой (БУКЭ), реле, предохранители, стандартные переключатели. | 
| УАЗ Патриот (2016-2021 г.) | Расширенный функционал: управление климат-контролем, мультимедиа, круиз-контролем, подогревами. | Блок управления кузовной электроникой (БУКЭ), CAN-шина, блоки управления отдельных систем (климат, мультимедиа), подрулевые переключатели с расширенным функционалом. | 
| УАЗ Патриот (с 2022 г. / “Русский Прадо”) | Максимальный функционал: интеграция с цифровой приборной панелью, расширенные возможности мультимедиа, системы помощи водителю (ADAS). | Центральный шлюз (Gateway), несколько CAN-шин, LIN-шина, блоки управления ADAS, цифровая приборная панель, сенсорные элементы управления. | 
| УАЗ Профи | Особенности грузового автомобиля: управление дополнительным оборудованием (лебедка, спецсигналы), усиленная проводка. | Блок управления кузовной электроникой (БУКЭ), дополнительные реле и предохранители для спец. оборудования, усиленные жгуты проводки, возможность подключения внешних блоков управления. | 
| УАЗ Хантер | Базовое управление: минимум электроники, простота и надежность. | Минимум блоков управления, простые релейные схемы, механические переключатели, отсутствие CAN-шины. | 
Интересные факты
Вот несколько интересных фактов о схеме электропроводки УАЗ, особенно в контексте модификаций с мультифункциональным управлением:
- 
Модульная система управления: В современных модификациях УАЗ, таких как УАЗ Патриот, используется модульная система управления, которая позволяет интегрировать различные функции, такие как управление освещением, стеклоочистителями и мультимедийной системой, в единую сеть. Это упрощает диагностику и ремонт, так как многие элементы можно тестировать и заменять по модульному принципу.
 - 
Защита от короткого замыкания: В схемах электропроводки новых моделей УАЗ предусмотрены дополнительные меры безопасности, такие как предохранители и реле, которые защищают электрическую систему от коротких замыканий и перегрузок. Это особенно важно для автомобилей, которые могут эксплуатироваться в сложных условиях, где вероятность повреждения проводки возрастает.
 - 
Интеграция с системами помощи водителю: В последних модификациях УАЗ внедряются системы помощи водителю, такие как ABS и ESP, которые требуют сложной электропроводки и интеграции с другими системами автомобиля. Это делает схемы электропроводки более сложными, но и более функциональными, обеспечивая повышенный уровень безопасности и комфорта при вождении.
 
Эти факты подчеркивают, как современные технологии влияют на конструкции и функциональность электропроводки автомобилей УАЗ.

Причина модернизации
Справочная информация: в соответствии с общими европейскими стандартами безопасности, во время движения водитель не должен отвлекаться от управления автомобилем, активируя световые и звуковые сигналы. Этот принцип лег в основу проектирования электрической схемы для моделей ВАЗ 2112 и других автомобилей, произведенных на Тольяттинском автозаводе.
На автомобилях УАЗ блок управления стеклоочистителями лобового стекла находился на панели приборов. Однако это решение не соответствовало требованиям безопасности, поэтому в последующих версиях:
- был внедрен более современный многофункциональный блок, который теперь располагается непосредственно на рулевом колесе;
 - была установлена новая панель приборов.
 
Самостоятельная модернизация
Автомобили новых выпусков уже в базе имеют многофункциональный блок управления. А вот владельцы ранних выпусков могут своими руками переоборудовать автомобиль под современные требования безопасности.
Для этого потребуется:
- Оригинальная проводка УАЗ 2206 – как наиболее подходящая для самостоятельной переделки;
 - Заводская схема-инструкция, позволяющая правильно осуществить подключение подрулевых переключателей к штатной схеме;
 - Желание сделать качественный монтаж.
 
Совет: цена вопроса самостоятельной переделки невысока, поэтому не стоит ею пренебрегать при эксплуатации автомобилей УАЗ в динамичных дорожных условиях – на городских магистралях или дорогах общего пользования. Собственно говоря, и самостоятельная замена проводки УАЗ на старых моделях также позволит исключить ее отказы в работе.
Алгоритм работы будет следующим:
- Отключаем аккумуляторную батарею;
 - Извлекаем из панели приборов блок управления;
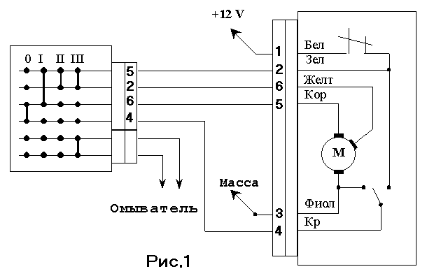
 - Отсоединяем провода, сверяясь с их соответствием заводской схеме на рис. 1;
 - Снимаем штатные переключатели с колонки рулевого колеса.
 
Для переделки потребуется приобрести несколько новых деталей:
- Блок многофункциональных подрулевых переключателей от модели УАЗ 390995;
 - Реле для цепи стеклоочистителя (лучше всех подойдет от модели ВАЗ, как и проводка 2112, соединяющая реле и блок переключателей);
 - Контактные колодки в количестве 3 штук (одна 8-ми контактная для бока подрулевых переключателей и две 6-ти контактные для реле и штатного переходника).
 
Смотрите также схему электропроводки УАЗ 31512.
Совет: неплохим подспорьем для любой переделки электросхемы может послужить е видео на страницах нашего сайта, которыми делятся автовладельцы, самостоятельно обслуживающие свои автомобили.
Приступаем к установке:
- Заменяем штатный разъем на новый;
 - Разрезаем провод 4х4 (на рис. 2 обозначен красным крестиком);
 - Соединяем его концы на 31В и на S контакт реле стеклоочистителя;
 - Соединяем с контактом 15 реле стеклоочистителя провод 5-2;
 - Контакт J реле присоединяем ко 2-му контакту подрулевого переключателя;
 - Подсоединяем на массу 13-контакт реле;
 - Соединяем переходным кабелем новую контактную колодку;
 - Подключаем ее к колодке, которая раньше подсоединялась со штатным переключателем на панели приборов;
 - Замыкаем контакты электромотора омывателя лобового стекла на контакты 6 и 7 переключателя;
 - На реле контакт 86 соединяем с контактом 6 подрулевого переключателя.
 
Автолюбители улучшили предложенную заводом-изготовителем схему переделки, внеся в нее некоторые изменения (на рис.3):
- Ввели в схему переменный резистор R=10К, благодаря которому величину паузы в прерывистом режиме работы стеклоочистителей можно плавно изменять от 4 с до 15 с;
 - Подключение резистора сделать таким образом, чтобы отсчет режима работы начинался с момента остановки электродвигателя щеток.
 
Выводы: автомобили семейства УАЗ не только унитарные внедорожники многоцелевого назначения, но и простые в обслуживании транспортные средства. Практически любой автовладелец, вооруженный знаниями и цветными электросхемами способен не только восстановить отказавший узел, но и осуществить полезную модернизацию автомобиля и его отдельных элементов.
Смотрите также схему электропроводки УАЗ 452.

Сравнение с другими моделями автомобилей
Сравнение схемы электропроводки УАЗ с другими моделями автомобилей позволяет выявить как уникальные особенности, так и общие черты, присущие современным транспортным средствам. УАЗ, как отечественный производитель, имеет свои специфические решения, которые отличаются от зарубежных аналогов, таких как Toyota, Ford или Volkswagen.
Во-первых, стоит отметить, что схемы электропроводки УАЗ разрабатывались с учетом специфики эксплуатации в условиях российских дорог и климата. Это означает, что проводка и компоненты системы электроснабжения должны быть более устойчивыми к воздействию влаги, пыли и низких температур. В отличие от многих иностранных автомобилей, где используются более тонкие и легкие провода, УАЗ применяет более прочные и толстые кабели, что увеличивает надежность системы.
Во-вторых, мультифункциональное управление в УАЗ реализовано с помощью более простых и доступных решений. Например, в то время как многие зарубежные автомобили используют сложные электронные блоки управления, УАЗ часто применяет механические переключатели и реле, что упрощает диагностику и ремонт. Это может быть преимуществом для владельцев, которые предпочитают проводить обслуживание своих автомобилей самостоятельно.
Сравнивая с другими моделями, стоит отметить, что в большинстве современных автомобилей используются CAN-шины для обмена данными между различными системами. УАЗ, в свою очередь, в некоторых модификациях продолжает использовать традиционные проводные соединения, что может быть как плюсом, так и минусом. С одной стороны, это упрощает систему и делает ее более понятной для владельца, с другой — ограничивает возможности интеграции с современными мультимедийными системами и вспомогательными функциями.
Также стоит упомянуть о различиях в подходах к безопасности. В современных автомобилях, таких как Audi или BMW, схемы электропроводки включают в себя множество датчиков и систем, которые обеспечивают высокий уровень безопасности. УАЗ, хотя и имеет свои системы безопасности, часто использует более простые решения, что может сказаться на общей надежности и функциональности.
Наконец, стоит отметить, что в последние годы УАЗ активно модернизирует свои модели, внедряя новые технологии и улучшая схемы электропроводки. Это позволяет им конкурировать с зарубежными аналогами, однако, по-прежнему, многие владельцы отмечают, что простота и доступность ремонта остаются главными преимуществами автомобилей этой марки.
Вопрос-ответ
Какие основные особенности схемы электропроводки УАЗ с мультифункциональным управлением?
Схема электропроводки УАЗ с мультифункциональным управлением включает в себя интеграцию различных систем, таких как управление освещением, стеклоочистителями и мультимедийными устройствами, в единую панель. Это позволяет улучшить эргономику и упростить управление автомобилем, а также повысить надежность системы за счет уменьшения количества проводов и соединений.
Каковы отличия в электропроводке между различными модификациями УАЗ?
Разные модификации УАЗ могут иметь различные схемы электропроводки в зависимости от установленного оборудования и функций. Например, модели с дополнительными опциями, такими как кондиционеры или системы ABS, могут иметь более сложные схемы, включающие дополнительные реле и предохранители, в то время как базовые версии могут использовать более простые конфигурации.
Как правильно обслуживать электропроводку УАЗ с мультифункциональным управлением?
Для правильного обслуживания электропроводки УАЗ с мультифункциональным управлением рекомендуется регулярно проверять состояние проводов и соединений на наличие повреждений, коррозии или износа. Также важно следить за работой всех электрических систем и при необходимости проводить диагностику с использованием специализированного оборудования, чтобы избежать серьезных неисправностей.
Советы
СОВЕТ №1
Перед началом работы с электропроводкой УАЗ обязательно ознакомьтесь с технической документацией вашей модели. Это поможет вам понять особенности схемы и избежать ошибок при подключении или ремонте.
СОВЕТ №2
Используйте качественные инструменты и материалы для работы с электропроводкой. Это обеспечит надежность соединений и снизит риск возникновения коротких замыканий или других электрических проблем.
СОВЕТ №3
Обратите внимание на особенности мультифункционального управления. Изучите, как различные функции взаимодействуют друг с другом, чтобы избежать конфликтов и обеспечить корректную работу всех систем автомобиля.
СОВЕТ №4
Регулярно проверяйте состояние электропроводки и соединений. Профилактика поможет выявить потенциальные проблемы до того, как они станут серьезными, и продлит срок службы вашего автомобиля.



