В статье рассмотрим схему электропроводки автомобилей КАМАЗ моделей 53215, 65117, 6520 и 4310, а также инструкции по самостоятельной замене проводки. Знание особенностей электросистемы этих грузовиков поможет владельцам и механикам диагностировать и устранять неисправности, а также проводить профилактические работы, что увеличит срок службы автомобиля. Также предложим фото и видео-уроки для наглядности процесса, доступного даже новичкам.
История появления
Сначала в ассортименте Камского автозавода появился КАМАЗ 5320 с колесной формулой 6х4, который стал основой для дальнейших модификаций:
- На его базе в 1979 году была разработана модель КАМАЗ 53215. Основное отличие между этими моделями заключалось в том, что кабина новой версии была оборудована спальным местом;
 - 
Начиная с 2008 года, некоторые узлы и агрегаты начали устанавливать на КАМАЗ 65117. Хотя эта модель не является прямым наследником КАМАЗ 5320 (см. схему электропроводки), тем не менее, электропроводка КАМАЗ 65117 во многом напоминает таковую у модели 53215;
 - 
Для нужд советской армии с 1979 года начался выпуск модели 4310 с колесной формулой 6х6 (все мосты, включая передний, являются ведущими). По запросу заказчика электропроводка КАМАЗ 4310 имела специальное исполнение – герметичное и экранированное.
 
Эксперты отмечают, что схема электропроводки КАМАЗ 53215 обладает рядом уникальных особенностей, которые делают её эффективной и надежной. Во-первых, конструкция проводки тщательно продумана для обеспечения максимальной защиты от внешних воздействий, таких как влага и пыль, что особенно важно для грузовых автомобилей, работающих в сложных условиях. Во-вторых, использование высококачественных материалов и компонентов позволяет снизить риск коротких замыканий и повысить долговечность системы.
Кроме того, специалисты подчеркивают, что схема электропроводки организована таким образом, чтобы облегчить процесс диагностики и ремонта. Наличие четкой маркировки проводов и разъемов упрощает работу с электрической системой, что особенно важно для сервисных центров. В целом, грамотная организация электропроводки способствует не только надежности работы автомобиля, но и снижению затрат на обслуживание.

Особенности водительского места
В сравнении с другими грузовыми автомобилями, поколение КАМАЗ сразу стало эталоном организованного места водителя:
- Благодаря новой комфортабельной кабине;
 - Современным органам управления;
 - Улучшенными световыми приборами, соответствующими требованиям для грузового транспорта, работающего в условиях город-бездорожье;
 - Эффективной системе отопления кабины в целом и водительского места в частности.
 
Справочно: Именно поэтому автопроизводитель использовал одинаковую концепцию кабины на всех без исключения модификациях, включая бортовые, тентованные и кузовные версии грузовой платформы с колесной формулой 6х4. Благодаря этому отпускная цена автомобиля оставалась одинаковой.
| Элемент схемы | Особенности строения | Назначение | 
|---|---|---|
| Аккумуляторная батарея | Две последовательно соединенные АКБ ёмкостью 190 Ач каждая, напряжение 12В. Общее напряжение 24В. | Источник электроэнергии для запуска двигателя и питания всех потребителей при неработающем двигателе. | 
| Генератор | Трехфазный переменного тока, с встроенным выпрямителем и регулятором напряжения. Мощность 28В, 80А. | Преобразование механической энергии двигателя в электрическую для питания потребителей и зарядки АКБ. | 
| Стартер | Электродвигатель постоянного тока с электромагнитным приводом бендикса. Мощность 8,2 кВт. | Запуск двигателя внутреннего сгорания. | 
| Блок предохранителей и реле | Разделен на несколько секций (основная, дополнительная, силовая). Содержит плавкие предохранители и электромагнитные реле. | Защита электрических цепей от перегрузок и коротких замыканий, коммутация электрических цепей. | 
| Замок зажигания | Многопозиционный переключатель с несколькими положениями (выключено, ACC, зажигание, стартер). | Включение/выключение зажигания, подача питания на стартер и другие потребители. | 
| Проводка | Многожильные медные провода различного сечения, изолированные ПВХ-оболочкой. Разделена на жгуты по функциональному назначению. | Передача электрического тока между элементами электрооборудования. | 
| Осветительные приборы | Фары головного света (ближний/дальний), противотуманные фары, габаритные огни, указатели поворотов, стоп-сигналы, фонари заднего хода, освещение салона. | Обеспечение видимости дороги и обозначение автомобиля на дороге. | 
| Контрольно-измерительные приборы | Амперметр, вольтметр, указатель уровня топлива, указатель температуры охлаждающей жидкости, тахометр, спидометр. | Отображение рабочих параметров двигателя и систем автомобиля. | 
| Система управления двигателем (ЭСУД) | Электронный блок управления (ЭБУ), датчики (положения коленвала, расхода воздуха, температуры, давления), исполнительные механизмы (форсунки, свечи накаливания). | Оптимизация работы двигателя, контроль выбросов, диагностика неисправностей. | 
| Дополнительное оборудование | Отопитель, стеклоочистители, стеклоомыватель, звуковой сигнал, магнитола, прикуриватель. | Повышение комфорта и безопасности эксплуатации автомобиля. | 
Интересные факты
Вот несколько интересных фактов о схеме электропроводки КАМАЗ 53215 и его особенностях:
- 
Модульная система: Электропроводка КАМАЗ 53215 построена на модульной системе, что позволяет легко заменять отдельные элементы и упрощает диагностику. Это особенно важно для грузовых автомобилей, которые часто эксплуатируются в сложных условиях.
 - 
Защита от короткого замыкания: В схеме электропроводки предусмотрены предохранители и реле, которые защищают электрическую систему от короткого замыкания. Это значительно увеличивает надежность автомобиля и снижает риск повреждения электрооборудования.
 - 
Устойчивость к внешним воздействиям: Провода и соединения в электропроводке КАМАЗ 53215 имеют специальную изоляцию, устойчивая к воздействию влаги, пыли и высоких температур. Это делает систему более долговечной и надежной в условиях эксплуатации на строительных площадках и в сельском хозяйстве.
 
Эти особенности делают электропроводку КАМАЗ 53215 эффективной и надежной для использования в различных условиях.

Конструктивные особенности электрооборудования
Схема управления электрическими системами автомобилей КАМАЗ представлена следующим образом:
- Общая электроснабжающая система;
 - Система запуска дизельного двигателя;
 - Система внешнего освещения;
 - Приборы контроля и измерения, а также звуковая сигнализация;
 - Система вентиляции и отопления в салоне.
 
Примечание: Электропроводка на автомобилях КАМАЗ выполнена по традиционной схеме с одноименным названием. Отрицательные выводы источников и потребителей электроэнергии соединены с «массой». Кузов автомобиля выполняет роль второго отрицательного провода, а положительное напряжение подается к потребителям с помощью проводов.
Источники энергии
Источниками электроэнергии на автомобилях КАМАЗ являются:
- Две аккумуляторных батареи. АКБ используются повышенной емкости, работают в паре и последовательно соединены между собой;
 - Генератор. Он подключен параллельно двум аккумуляторным батареям с помощью высоковольтной проводки в полихлорвиниловой изоляции.
 
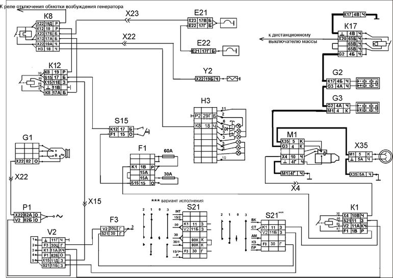
Справочно: Напряжение в цепи автоматически поддерживается с помощью бесконтактного регулятора напряжения модели РР 356. Черно-белая заводская инструкция содержит наименования цветов проводов, входящих в пучки для быстрого их обнаружения и идентификации.
Особенностью представленной выше схемы электрооборудования автомобиля, является встроенное в генератор реле отключения обмотки возбуждения. Оно используется:
- Для работы электрофакельного устройства;
 - Для исключения случаев выключения кнопки «массы» при работающем двигателе.
 
Совет: во время длительной стоянки следует своими руками отключать выключатель массы, поскольку АКБ разряжаются через обмотку возбуждения генератора даже при неработающем двигателе.
Электрофакельное устройство
На некоторых моделях двигателей КАМАЗ установлено электрофакельное устройство, которое помогает запускать двигатель в условиях низких температур, когда воздух опускается ниже минус 25 градусов Цельсия. В его состав входят:
- Две электрофакельные свечи (обозначены на схеме под номером 3);
 - Резьбовые отверстия для свечей во впускных коллекторах (номер 2);
 - Топливный электромагнитный клапан (номер 6);
 - Специальное термореле с дополнительным сопротивлением.
 
Также в кабине автомобиля размещены элементы управления электрофакельным устройством – кнопочный выключатель с индикаторной лампой и электромагнитное реле (см. схему электропроводки КАМАЗ 5511).
Принцип работы устройства следующий:
- Топливо из общего бака подается к штифтовым свечам накаливания;
 - Запускается процесс испарения;
 - Топливовоздушная смесь воспламеняется после подачи электричества на свечи;
 - Возникающий факел нагревает воздух, который поступает в цилиндры двигателя;
 - Нагретый воздух смешивается с топливом в цилиндрах и воспламеняется при сжатии поршнем.
 

Выводы
Надеемся, что представленные схемы и видео материалы в данной статье помогут вам понять особенности грузовых автомобилей КАМАЗ и их многочисленных модификаций (см. также схему электропроводки ЛуАЗ 969).
Обслуживание и диагностика электропроводки
КАМАЗ 53215 являются важными аспектами, которые напрямую влияют на надежность и безопасность эксплуатации автомобиля. Правильное обслуживание позволяет предотвратить множество проблем, связанных с электрической системой, а своевременная диагностика помогает выявить неисправности до того, как они приведут к серьезным поломкам.
Первым шагом в обслуживании электропроводки является регулярная проверка состояния проводов и соединений. Важно обращать внимание на наличие механических повреждений, коррозии, а также на состояние изоляции. Проводка должна быть защищена от воздействия влаги и химических веществ, поэтому при обнаружении трещин или других повреждений изоляции необходимо заменить поврежденные участки.
Кроме визуального осмотра, рекомендуется проводить тестирование электрических цепей с помощью мультиметра. Это позволяет проверить целостность проводов, а также убедиться в наличии необходимых напряжений на различных участках системы. При этом важно знать, какие параметры являются нормальными для конкретных цепей, чтобы правильно интерпретировать результаты измерений.
Диагностика электропроводки также включает проверку работы основных компонентов, таких как генератор, стартер, аккумулятор и реле. Например, для проверки генератора необходимо измерить напряжение на выходе при работающем двигателе. Оно должно находиться в пределах 13,5-14,5 В. Если напряжение ниже, это может указывать на проблемы с генератором или его регулятором.
Стартер также требует внимания: его работа должна быть четкой и без задержек. Если стартер не запускает двигатель или делает это с трудом, стоит проверить его соединения и состояние обмоток. Важно также убедиться, что аккумулятор в хорошем состоянии и имеет достаточный заряд.
Не менее важным аспектом является проверка реле и предохранителей. Они защищают электрическую систему от перегрузок и коротких замыканий. При срабатывании предохранителя необходимо выяснить причину, так как это может указывать на наличие неисправности в цепи.
Для более глубокой диагностики можно использовать специализированные сканеры, которые позволяют считывать коды ошибок и проводить тестирование различных систем автомобиля. Это особенно полезно для выявления скрытых проблем, которые могут не проявляться при обычной проверке.
В заключение, регулярное обслуживание и диагностика электропроводки КАМАЗ 53215 являются ключевыми факторами для обеспечения надежной работы автомобиля. Следуя рекомендациям по проверке и тестированию, владельцы могут значительно продлить срок службы электрической системы и избежать дорогостоящих ремонтов в будущем.
Вопрос-ответ
Какое напряжение сети должно быть в Камазе?
Номинальное напряжение в бортовой сети — 24 В. Аккумуляторная батарея имеет запас электричества и применяется для запуска двигателя.
Чем отличается КамАЗ 53212 от 53215?
Габаритные размеры, колесная база моделей 53212, 53213 и 53211 идентичны. Различия между моделями 53212 и 53215 заключаются в новой кабине, светотехнике. На некоторые 53215 ставятся бортовые платформы нового типа (см. Фото КамАЗ-53218 в центре).
За что отвечает третий контур КамАЗ?
Второй контур отвечает за работу двухпроводного привода, третий позволяет работать стояночному ручнику, четвертый полностью «руководит» всеми вспомогательными механизмами, дублирующими функционал основных тормозов, пятый контролирует количество и качество сжатого воздуха.
Грузоподъемность КамАЗ 53215?
КАМАЗ 53215-052-15 с колесной формулой 6×4 обеспечивает хорошую грузоподъемность 11 тонн. Топливная экономичность благодаря двигателю мощностью 240 л.
Советы
СОВЕТ №1
Перед началом работы с электропроводкой КАМАЗ 53215 обязательно ознакомьтесь с технической документацией. Это поможет вам понять основные схемы и особенности конструкции, а также избежать ошибок при подключении и ремонте.
СОВЕТ №2
Используйте качественные инструменты и материалы при работе с электропроводкой. Это обеспечит надежность соединений и долговечность работы электрической системы вашего автомобиля.
СОВЕТ №3
Регулярно проверяйте состояние проводки и соединений. Обратите внимание на наличие коррозии, повреждений изоляции и других дефектов, которые могут привести к короткому замыканию или другим электрическим проблемам.
СОВЕТ №4
Если у вас нет опыта работы с электропроводкой, лучше обратиться к специалистам. Неправильные действия могут привести к серьезным поломкам и даже аварийным ситуациям на дороге.



