В статье рассмотрим схему электропроводки Audi 80 (В3), особенности комплектации, силовых агрегатов и трансмиссии. Понимание электрической схемы автомобиля важно для успешного ремонта и обслуживания, особенно при замене проводки. Предоставим пошаговую инструкцию с фото и видео-уроками, что поможет вам самостоятельно выполнить задачу и сэкономить время и деньги на сервисе.
Особенности комплектации
Отечественный автопром приучил водителей к простым условиям – «рабочая машина» считалась самой лучшей комплектацией после покупки.
С приходом иномарок на наш рынок автолюбители открыли для себя новые возможности автомобилей:
- Возможность выбора различных двигателей;
- Разнообразие комплектаций, включая гидроусилитель руля и автоматическую трансмиссию;
- Множество функций, обеспечивающих комфорт.
Также ознакомьтесь с особенностями схемы электропроводки ЗИЛ 5301.
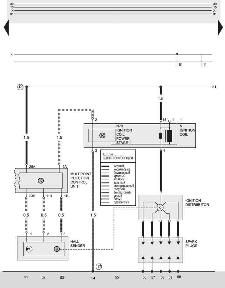
Эксперты отмечают, что схема электропроводки Audi 80 является одной из ключевых особенностей этого автомобиля, обеспечивая надежность и простоту в обслуживании. В зависимости от комплектации, модель может оснащаться различными силовыми агрегатами, включая бензиновые и дизельные двигатели, что позволяет владельцам выбрать оптимальный вариант в зависимости от предпочтений и условий эксплуатации. Трансмиссия Audi 80 также заслуживает внимания: как механическая, так и автоматическая версии предлагают плавное переключение передач и высокую эффективность. Важно отметить, что грамотная схема электропроводки способствует не только стабильной работе всех систем автомобиля, но и упрощает диагностику возможных неисправностей, что делает Audi 80 привлекательным выбором для автолюбителей.

Силовые агрегаты
В нашу страну автомобили попадали с внушительным пробегом. Однако, благодаря европейскому сервису, автомобили были в прекрасном состоянии, а цена при этом была доступной.
Среди пригоняемых моделей Ауди в комплектации встречалось несколько силовых агрегатов:
- инжекторный бензиновый класса «E» (от нем. Einspritzung);
- классический карбюраторный мотор класса «S»;
- дизельный «D» (от нем. diesel);
- турбодизельный «TD» (от нем. turbodiesel);
- дизельный вариант мотора с турбонаддувом и прямым впрыском «TDI» (от нем. Turbocharged Direct Injection).
Кроме того, двигатели имели разные системы впрыска:
- на первые выпуски устанавливалась система КЕ-Motronic;
- на последующие – KE-Jetronic.
Справочно: любой из двигателей имел свои технические особенности. В частности, электропроводка Ауди 80 на дизельных моторах отличалась от бензиновых версий. Да и среди работающих на бензине также существовали отличия, например, система впрыска с электронным управлением видоизменялась при каждой модернизации.
| Раздел | Особенности | Примечания |
|---|---|---|
| Схема электропроводки | Центральный блок предохранителей и реле: Расположен под капотом, слева по ходу движения. | Различные модификации могут иметь незначительные отличия в расположении и количестве предохранителей. |
| Жгуты проводки: Отдельные жгуты для двигателя, салона, освещения, ABS и других систем. | Цветовая кодировка проводов стандартизирована, но может варьироваться в зависимости от года выпуска. | |
| Диагностический разъем: Обычно находится под рулевой колонкой или в центральной консоли. | Для моделей до 1992 года может использоваться 2-контактный разъем, для более поздних – 16-контактный OBD-II (или его предшественник). | |
| Система зажигания: Контактная (ранние модели) или бесконтактная (более поздние). | Бесконтактная система обеспечивает более стабильную искру и меньший износ. | |
| Система освещения: Отдельные цепи для фар, габаритов, поворотников, стоп-сигналов. | Некоторые комплектации могли иметь противотуманные фары, подключенные через отдельное реле. | |
| Система отопления и вентиляции: Управление вентилятором, заслонками, кондиционером (если установлен). | Вентилятор отопителя часто является слабым местом, требующим внимания. | |
| Особенности комплектации | Базовые комплектации: Обычно включали минимальный набор опций: механические стеклоподъемники, отсутствие кондиционера, простая аудиосистема. | Могли обозначаться как “Base”, “CL”, “GL”. |
| Расширенные комплектации: Дополнительные опции: электростеклоподъемники, центральный замок, кондиционер, ABS, люк в крыше, улучшенная отделка салона. | Могли обозначаться как “E”, “GT”, “CD”, “Quattro”. | |
| Спортивные комплектации (например, Audi 80 S2/RS2): Мощные двигатели, усиленная подвеска, спортивные сиденья, полный привод Quattro. | Имели значительно отличающуюся электропроводку и электронные блоки управления. | |
| Системы безопасности: ABS (антиблокировочная система тормозов), подушки безопасности (на поздних моделях). | Наличие ABS и подушек безопасности зависело от года выпуска и комплектации. | |
| Электронные системы: Бортовой компьютер (на некоторых моделях), круиз-контроль. | Не были повсеместными, чаще встречались в более дорогих комплектациях. | |
| Силовые агрегаты и трансмиссия | Бензиновые двигатели: Широкий спектр объемов от 1.6 л до 2.8 л (V6). | Наиболее распространенные: 1.8 л (карбюратор/моновпрыск), 2.0 л (инжектор), 2.3 л (5-цилиндровый). |
| Дизельные двигатели: В основном 1.6 л и 1.9 л (атмосферные и турбированные). | Дизельные версии были менее распространены, но отличались экономичностью. | |
| Типы впрыска топлива: Карбюратор (ранние модели), моновпрыск (Mono-Jetronic), распределенный впрыск (KE-Jetronic, Motronic). | Переход от карбюраторов к инжекторам происходил постепенно. | |
| Механические коробки передач (МКПП): 4-х, 5-ти ступенчатые. | Наиболее распространенный тип трансмиссии. | |
| Автоматические коробки передач (АКПП): 3-х, 4-х ступенчатые. | Встречались реже, в основном на более мощных версиях. | |
| Полный привод Quattro: Постоянный полный привод с центральным дифференциалом. | Доступен на некоторых моделях с более мощными двигателями, значительно улучшал управляемость. | |
| Привод: Передний или полный (Quattro). | Большинство Audi 80 были переднеприводными. |
Интересные факты
Вот несколько интересных фактов о схеме электропроводки Audi 80, особенностях комплектации, силовых агрегатах и трансмиссии:
-
Сложная электропроводка: В Audi 80 использовалась довольно сложная схема электропроводки, которая включала в себя множество датчиков и управляющих модулей. Это позволяло автомобилю обеспечивать высокий уровень комфорта и безопасности, но также требовало тщательного обслуживания и диагностики, особенно в старых моделях.
-
Разнообразие комплектаций: Audi 80 предлагалась в различных комплектациях, включая как базовые версии, так и более оснащенные модели с дополнительными опциями, такими как климат-контроль, электрические стеклоподъемники и системы безопасности. Это делало Audi 80 привлекательной для широкого круга покупателей, позволяя им выбрать автомобиль в соответствии с их потребностями и бюджетом.
-
Силовые агрегаты и трансмиссия: Audi 80 предлагала широкий выбор силовых агрегатов, включая как бензиновые, так и дизельные двигатели. В зависимости от года выпуска и комплектации, автомобили могли быть оснащены как механической, так и автоматической трансмиссией. Некоторые модели имели систему полного привода Quattro, что обеспечивало отличную управляемость и сцепление с дорогой в различных условиях.

Трансмиссия
Разнообразие трансмиссий также заслуживает внимания:
- Классическая механическая коробка;
- Автоматическая трансмиссия.
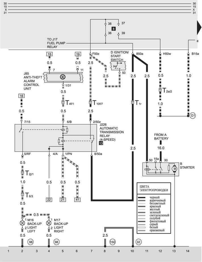
Механические коробки передач, как правило, не вызывали нареканий у владельцев. В то же время автоматические коробки передач (АКПП) могли создавать определенные трудности в обслуживании, в первую очередь из-за наличия электронных компонентов:
- Датчиков и проводки;
- Электронных блоков управления.
Информация к сведению: АКПП на модели Ауди 80 имела защитные режимы – в случае неисправности датчика, система автоматически переводила коробку в режим экономичной работы. После замены поврежденного датчика, блок управления необходимо было перезагрузить. Однако сделать это самостоятельно не представлялось возможным – перезагрузка «мозгов» осуществляется только на специализированной станции с использованием диагностического оборудования.
Полезные опции
Среди привычных систем автомобиля встречаются и довольно полезные опции, облегчающие эксплуатацию автомобиля в нашей климатической зоне:
- Подогрев передних сидений;
- Обогрев форсунок омывателей лобового стекла;
- Бортовой компьютер.
Однако, в ходе эксплуатации они могли выйти из строя. Ремонт был возможен и своими силами, но для этого требовались:
- Оригинальные автозапчасти;
- Родные заводские схемы электрооборудования.
И если запчасти можно было раздобыть в пунктах авторазборки, то техническая документация представляла настоящий дефицит. Вот почему в 90-е фото заводских инструкций продавались не хуже дефицитных автозапчастей.

Выводы
Мы уверены, что наш материал окажется полезным для владельцев автомобилей Ауди 80, предоставляя им ценные оригинальные схемы и видеоматериалы, которые облегчат процесс обслуживания и эксплуатации их транспортных средств.
Теперь давайте подробнее рассмотрим характеристики схемы электропроводки Нива Шевроле.
Обслуживание и ремонт электропроводки
Автомобиля Audi 80 являются важными аспектами, которые напрямую влияют на безопасность и надежность транспортного средства. Электропроводка отвечает за функционирование множества систем, включая освещение, систему зажигания, стартер, а также различные электронные устройства, такие как магнитолы и системы климат-контроля.
Первым шагом в обслуживании электропроводки является регулярная проверка состояния проводов и соединений. Важно обращать внимание на наличие механических повреждений, коррозии и изоляционных повреждений. Проводка должна быть защищена от воздействия влаги и химических веществ, поэтому стоит проверять герметичность соединений и состояние изоляции.
При обнаружении повреждений необходимо провести ремонт или замену поврежденных участков. Для этого рекомендуется использовать оригинальные запчасти или качественные аналоги, чтобы избежать проблем с совместимостью и надежностью. Ремонт проводки может включать в себя пайку, замену отдельных проводов или целых жгутов, а также восстановление изоляции.
Особое внимание следует уделить разъемам и клеммам, так как они часто становятся источником проблем. Неправильное соединение или окисление контактов могут привести к сбоям в работе электрических систем. Рекомендуется периодически очищать контакты и использовать специальные средства для защиты от коррозии.
Также стоит учитывать, что в Audi 80 используются различные схемы электропроводки в зависимости от года выпуска и комплектации автомобиля. Поэтому перед проведением работ по обслуживанию или ремонту необходимо ознакомиться с электрической схемой конкретной модели. Это поможет избежать ошибок и упростит процесс диагностики неисправностей.
Для диагностики электропроводки можно использовать мультиметр, который позволяет проверять целостность цепей, напряжение и сопротивление. При наличии сложных неисправностей может потребоваться использование специализированного оборудования, такого как осциллограф, для более детального анализа сигналов.
Важно помнить, что работа с электропроводкой требует аккуратности и соблюдения мер безопасности. Перед началом любых работ необходимо отключить аккумулятор, чтобы избежать короткого замыкания и повреждения электрооборудования. Также рекомендуется использовать защитные перчатки и очки для предотвращения травм.
В заключение, регулярное обслуживание и своевременный ремонт электропроводки Audi 80 помогут обеспечить надежную работу всех электрических систем автомобиля, что в свою очередь повысит безопасность и комфорт при эксплуатации транспортного средства.
Вопрос-ответ
Как в народе называют Audi 80?
Прозвище «Бочка» Audi 80 в кузове B3 и B4 получили за свои округлые, плавные и «дутые» очертания. На фоне предыдущих квадратных форм эта «восьмидесятка» действительно выглядела слегка одутловатой, за что ее и прозвали «Бочкой».
Какая максимальная скорость у Audi 80 B3?
Максимальная скорость Audi 80 — 140-220 км/ч.
Каковы характеристики Audi 80 1. 8 моновпрыск?
Общие данные: число мест — 5, снаряженная масса — 1050 кг, полная масса — 1510 кг, максимальная скорость — 182 км/ч, время разгона с места до 100 км/ч — 12,4 с, расход топлива при скорости 90, 120 км/ч и в условном городском цикле — 5, 4, 6, 9, 10, 6 л/100 км, запас топлива — 68 л, топливо — АИ-91.
Советы
СОВЕТ №1
Перед началом работы с электропроводкой Ауди 80, обязательно ознакомьтесь с электрической схемой вашего автомобиля. Это поможет избежать ошибок при подключении и обеспечит безопасность. Схемы можно найти в руководствах по эксплуатации или на специализированных форумах.
СОВЕТ №2
При замене или ремонте силовых агрегатов и трансмиссии, используйте только оригинальные запчасти или качественные аналоги. Это обеспечит надежность работы автомобиля и продлит срок службы его компонентов.
СОВЕТ №3
Регулярно проверяйте состояние электропроводки и соединений. Обратите внимание на наличие коррозии, повреждений изоляции или ослабленных контактов, так как это может привести к серьезным проблемам в работе автомобиля.
СОВЕТ №4
Если вы не уверены в своих силах, лучше обратиться к профессионалам для диагностики и ремонта. Неправильные действия могут привести к более серьезным поломкам и увеличению затрат на обслуживание.


