Электропроводка Нива 21213 — ключевой элемент для надежной работы электрических систем автомобиля. В статье рассмотрим унификацию электропроводки и предоставим инструкции по замене проводки своими руками. Вы найдете схемы, фото и видео-уроки, которые помогут избежать распространенных ошибок. Эта информация будет полезна как опытным автолюбителям, так и новичкам, желающим самостоятельно выполнить ремонт и улучшить функциональность автомобиля.
Особенности модификации
В первую очередь, изменения затронули систему управления двигателем и приборы контроля. В частности:
- Схема электропроводки на Нива 21213 была дополнена новым жгутом проводов в подкапотном пространстве, что позволяет подключать микроконтроллер и датчики;
 - На последних моделях Нива устанавливается более современный силовой агрегат с индексом ВАЗ-21214. Вместо карбюратора здесь используется топливная рамка с форсунками от компании GM, что привело к увеличению стоимости автомобиля с системой впрыска;
 - Панель приборов претерпела изменения – её дизайн был заимствован у модели ВАЗ 2108.
 
Эксперты отмечают, что электропроводка Нива 21213 демонстрирует высокую степень унификации, что значительно упрощает процесс ремонта и модернизации автомобиля. Основным преимуществом является использование одинаковых компонентов в различных моделях, что позволяет владельцам легко находить запчасти и заменять их без необходимости глубоких технических знаний.
Кроме того, унификация способствует снижению производственных затрат, что в свою очередь отражается на цене автомобиля. Однако специалисты предупреждают, что такая унификация может привести к некоторым ограничениям в индивидуализации электрооборудования. Важно учитывать, что при модификации системы электропроводки необходимо соблюдать стандарты безопасности, чтобы избежать потенциальных проблем. В целом, эксперты считают, что унификация электропроводки Нива 21213 является положительным аспектом, способствующим удобству эксплуатации и обслуживания автомобиля.

Система зажигания
На двигателе ВАЗ 21213 применяется бесконтактная система зажигания, состоящая из:
- датчика-распределителя зажигания (маркировка 3810.3706). Он отвечает за создание управляющих импульсов, подаваемых на электронный коммутатор;
 - коммутатора (маркировка модели – 3620.3734) в климатическом исполнении У2.1 (соответствует ГОСТ 15150);
 - катушки зажигания (маркировка 27.3705).
 
Справочно: данное устройство обеспечивает повышенную энергию искрообразования, что способствует запуску двигателя в холодное время, а также улучшает работу силового агрегата при эксплуатации автомобиля на топливе низкого качества.
| Элемент электропроводки | Особенности унификации с другими моделями ВАЗ | Примечания | 
|---|---|---|
| Жгуты проводов | Частично унифицированы с ВАЗ-2108/2109 и ВАЗ-2105/2107 | Жгуты моторного отсека и салона имеют значительные отличия из-за компоновки и функционала | 
| Реле и предохранители | Большинство реле и предохранителей унифицированы с ВАЗ-2108/2109 | Используются стандартные реле типа 90.3747, 71.3747 и предохранители типа 2108 | 
| Генератор | Унифицирован с ВАЗ-2108/2109 (модели 37.3701, 94.3701) | Возможна установка более мощных генераторов от ВАЗ-2110/2112 с доработками | 
| Стартер | Унифицирован с ВАЗ-2108/2109 (модели 29.3708, 35.3708) | Встречаются стартеры от ВАЗ-2101/2107, но они менее надежны и требуют доработок | 
| Комбинация приборов | Унифицирована с ВАЗ-2105/2107 (частично) | Имеет свои особенности по расположению контрольных ламп и индикаторов | 
| Переключатели (света, дворников) | Унифицированы с ВАЗ-2108/2109 | Возможна установка переключателей от ВАЗ-2110/2112 с доработками | 
| Фары и фонари | Частично унифицированы с ВАЗ-2105/2107 (задние фонари) | Передние фары и указатели поворотов имеют оригинальную конструкцию | 
| Датчики (температуры, давления масла) | Унифицированы с ВАЗ-2101/2107 и ВАЗ-2108/2109 | Используются стандартные датчики с аналогичными характеристиками | 
| Электронный блок зажигания (ЭБУ) | Унифицирован с ВАЗ-2108/2109 (при наличии бесконтактной системы зажигания) | При контактной системе зажигания используется коммутатор | 
| Провода высокого напряжения | Унифицированы с ВАЗ-2101/2107 и ВАЗ-2108/2109 | Подбираются по длине и типу наконечников | 
Интересные факты
Вот несколько интересных фактов о электропроводке Нива 21213 и ее унификации:
- 
Унификация с другими моделями: Электропроводка Нива 21213 была унифицирована с проводкой других моделей ВАЗ, таких как ВАЗ-2106 и ВАЗ-2107. Это позволило упростить производство и обслуживание, так как многие элементы, включая разъемы и проводку, были взаимозаменяемыми.
 - 
Система предохранителей: В Ниве 21213 используется система предохранителей, которая была разработана для повышения надежности электросистемы. В отличие от более ранних моделей, где предохранители могли перегреваться и выходить из строя, в Ниве применяются предохранители с улучшенной защитой от перегрузок.
 - 
Устойчивость к внешним условиям: Электропроводка Нива 21213 была спроектирована с учетом эксплуатации в сложных условиях, таких как грязь, влага и перепады температур. Использование качественных изоляционных материалов и герметичных разъемов помогает предотвратить коррозию и повреждения, что особенно важно для внедорожного автомобиля.
 
Эти особенности делают электропроводку Нивы 21213 более надежной и удобной в эксплуатации.

Панель приборов
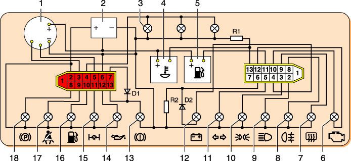
В автомобиле была обновлена панель приборов. В частности, вместо вольтметра производитель установил индикатор низкого заряда аккумулятора (на схеме под номером 12).
Рекомендация: если вы часто используете автомобиль в условиях бездорожья, вы можете самостоятельно приобрести и установить вольтметр на панель приборов. Он предоставляет более полную информацию, чем индикатор, и поможет вам заранее выявить проблемы в электросистеме до того, как аккумулятор разрядится.
Советы по обслуживанию
Поиск неисправности системы зажигания заводская инструкция предписывает осуществлять в следующей последовательности:
- От замка зажигания (клемма 15) провод на катушку (клемма +В) замкнуть на контрольную лампу;
 - Ее минусовой вывод соединить на «массу»;
 - Включить зажигание – повернуть ключ в замке в положение «II»;
 - Если контрольная лампа загорится, значит цепь исправна. Если нет – искать повреждение провода;
 - При включенном зажигании вытащить центральный провод от катушки из трамблера;
 - Поднести его металлический наконечник к блоку цилиндров таким образом, чтобы между ними образовался зазор в 3-4 мм;
 - На несколько секунд включить стартер;
 - Если искра проскакивает – катушка исправна.
 
Совет: быстро проверить коммутатор можно одним способом – взять его с рабочего автомобиля. Если с новым коммутатором автомобиль заведется, значит нужно покупать новый.

Выводы
Изменения, внесенные в автомобиль ВАЗ 21213 Нива, безусловно, оказали положительное влияние на его характеристики. Обновленный двигатель и усовершенствованная система зажигания сделали использование этого автомобиля более комфортным и надежным даже в сложных условиях.
Электрические компоненты и их совместимость
Электрическая система автомобиля ВАЗ 21213, более известного как Нива, представляет собой сложный набор компонентов, которые обеспечивают функционирование различных систем автомобиля. Одной из ключевых особенностей данной модели является унификация электрических компонентов, что позволяет значительно упростить процесс ремонта и обслуживания.
В первую очередь, стоит отметить, что многие электрические компоненты Нивы 21213 унифицированы с другими моделями ВАЗ, что делает их доступными и недорогими в замене. Например, генератор, стартер и реле имеют аналогичные модели, используемые в других автомобилях ВАЗ, что позволяет владельцам Нивы легко находить запчасти на рынке.
Кроме того, унификация касается и системы освещения. Фары, поворотники и задние фонари Нивы 21213 могут быть заменены на аналогичные компоненты от других моделей, что значительно упрощает процесс ремонта. Это также касается и лампочек, которые имеют стандартные размеры и типы, что позволяет использовать более широкий ассортимент доступных на рынке решений.
Система предохранителей также была унифицирована, что позволяет использовать предохранители от других моделей ВАЗ. Это особенно важно в случае, если предохранитель перегорел, и необходимо быстро заменить его на дороге. Стандартные размеры и типы предохранителей делают этот процесс простым и удобным.
Однако, несмотря на преимущества унификации, важно помнить о совместимости компонентов. Некоторые детали могут отличаться по характеристикам, что может повлиять на работу электрической системы. Например, использование генератора с другой мощностью может привести к неправильной зарядке аккумулятора, что в свою очередь может вызвать проблемы с запуском двигателя.
Также стоит обратить внимание на разъемы и проводку. Хотя многие разъемы унифицированы, некоторые из них могут иметь различия в количестве контактов или их расположении. Поэтому при замене компонентов необходимо внимательно проверять совместимость разъемов, чтобы избежать проблем с подключением.
В заключение, унификация электрических компонентов Нивы 21213 значительно упрощает процесс обслуживания и ремонта автомобиля. Однако владельцам следует быть внимательными при выборе запчастей, чтобы гарантировать их совместимость и избежать возможных проблем в будущем.
Вопрос-ответ
Чем отличается раздатка 21213 от 21214?
Применение мелкомодульных шестерен значительно снижает уровень шума и вибраций, создаваемых раздаткой. Отличается от раздаточной коробки ВАЗ 21213 наличием датчика скорости (а/м ВАЗ-21214 с распределенным впрыском топлива).
Чем отличается полуось 2121 от 21213?
Re: Разновидности чулков заднего моста. Но точно есть: 2121 — с короткими полуосями. 21213 — с длинными полуосями. 2123 — без кронштейнов амортизаторов.
У Нивы постоянный полный привод или подключаемый?
Какой привод у Нивы? Конструкция трансмиссии у всех моделей Нивы, начиная с ВАЗ 2121 и по ВАЗ 2131, имеет постоянный полный привод на все четыре колеса с блокируемым межосевым дифференциалом. Конструкция состоит из коробки передач, раздаточной коробки, переднего и заднего карданных валов, переднего и заднего моста.
Какая компрессия должна быть на ниве 21213?
Для двигателя Весты (ВАЗ-21129) степень сжатия равна 10,45, нормы компрессии будут: 12,5. 13,6. Для Нивы (ВАЗ 21213, 21314) – 11,3. 12,2.
Советы
СОВЕТ №1
Перед началом работы с электропроводкой Нива 21213, обязательно ознакомьтесь с электрической схемой автомобиля. Это поможет вам лучше понять, как устроена система и избежать ошибок при ремонте или модернизации.
СОВЕТ №2
Используйте качественные материалы и комплектующие для замены проводки. Это не только повысит надежность системы, но и продлит срок службы электропроводки вашего автомобиля.
СОВЕТ №3
Обратите внимание на места соединений проводов. Используйте термоусадочные трубки и изоленту для защиты от влаги и коррозии, что особенно важно для эксплуатации автомобиля в сложных условиях.
СОВЕТ №4
Регулярно проверяйте состояние электропроводки и соединений. Раннее выявление проблем поможет избежать серьезных поломок и обеспечит безопасность на дороге.



