В статье рассмотрим схему проводки инжекторной версии автомобиля ВАЗ-2110, акцентируя внимание на ее особенностях и принципах работы. Понимание электрической схемы и функционирования проводки важно для владельцев и автолюбителей, стремящихся к самостоятельному обслуживанию и ремонту. Эти знания помогут избежать ошибок, упростят диагностику неисправностей и повысят надежность инжекторной системы.
Условные обозначения
Для упрощения монтажа и обслуживания электрические провода на схемах окрашены в разные цвета, аналогично тому, как они проложены в автомобиле. Это позволяет легко визуально определить их функции.
Цвета указаны сокращенно по первым буквам названия:
- Голубой – «Г»;
- Коричневый – «К»;
- Серый – «С»;
- Белый – «Б»;
- Оранжевый – «О»;
- Желтый – «Ж»;
- Черный – «Ч»;
- Зеленый – «З»;
- Розовый – «Р».
Важно отметить: красный провод обычно используется для подключения питания от плюсовой клеммы генератора или аккумулятора. Поэтому на всех схемах, представленных в заводской инструкции, он обозначен буквой «П».
Статья «Схема электропроводки ВАЗ 21074 инжектор: разбираемся в тонкостях» также будет полезна.
Эксперты отмечают, что схема проводки ВАЗ-2110 инжектор имеет свои особенности, которые необходимо учитывать при диагностике и ремонте автомобиля. Основной акцент делается на важности правильного подключения всех элементов системы, так как ошибки могут привести к сбоям в работе двигателя. Специалисты подчеркивают, что инжекторная система требует более тщательной проверки, чем карбюраторные аналоги, из-за наличия множества датчиков и электронных компонентов.
Кроме того, эксперты советуют обращать внимание на состояние проводки, так как износ изоляции может вызвать короткие замыкания и другие неисправности. Важно также учитывать, что схема проводки может варьироваться в зависимости от года выпуска и модификации автомобиля, что требует внимательного изучения документации. В целом, грамотное понимание схемы проводки и регулярное техническое обслуживание помогут избежать многих проблем и продлить срок службы автомобиля.

Особенности работы электрооборудования
Активация основных узлов и агрегатов автомобиля осуществляется после поворота ключа в замке зажигания в положение «Все включено».
Однако, электропроводка на инжектор ваз 2110 находится под напряжением, если отвечает за подачу питания на:
- Узел управления дальним светом фар;
- Габаритные огни автомобиля;
- Задние стоп-сигналы (при нажатии на педаль тормоза);
- Внутреннее освещение и лампы индивидуальной подсветки (штурманский свет);
- Звуковая сигнализация (клаксон);
- Вентилятор системы охлаждения.
Справочно: в зависимости от состояния температуры двигателя, даже будучи с выключенным мотором, вентилятор на автомобиле продолжит работу до срабатывания термостата. Это сделано для предотвращения перегрева двигателя.
| Компонент | Описание функции | Особенности работы в ВАЗ-2110 инжектор |
|---|---|---|
| Электронный блок управления (ЭБУ) | “Мозг” системы, обрабатывает сигналы от датчиков и управляет исполнительными механизмами. | Отвечает за оптимальное смесеобразование, угол опережения зажигания, холостой ход. Может быть прошит для изменения характеристик двигателя. |
| Датчик положения коленчатого вала (ДПКВ) | Определяет положение и частоту вращения коленвала. | Индуктивный датчик, критически важен для синхронизации работы двигателя. При неисправности двигатель не заводится. |
| Датчик положения распределительного вала (ДПРВ) | Определяет положение распредвала, необходим для фазированного впрыска. | Датчик Холла, используется для определения первого цилиндра и последовательности впрыска. |
| Датчик массового расхода воздуха (ДМРВ) | Измеряет количество воздуха, поступающего в двигатель. | Нитевой или пленочный датчик. Его показания напрямую влияют на количество подаваемого топлива. |
| Датчик температуры охлаждающей жидкости (ДТОЖ) | Измеряет температуру антифриза. | Термистор, влияет на обогащение смеси при холодном пуске и работу вентилятора охлаждения. |
| Датчик положения дроссельной заслонки (ДПДЗ) | Определяет угол открытия дроссельной заслонки. | Потенциометр, сигнализирует ЭБУ о нагрузке на двигатель. |
| Датчик кислорода (лямбда-зонд) | Измеряет содержание кислорода в отработавших газах. | Устанавливается до и/или после катализатора. Позволяет ЭБУ корректировать состав топливовоздушной смеси для снижения выбросов. |
| Форсунки | Распыляют топливо во впускной коллектор или непосредственно в цилиндры. | Электромагнитные клапаны, управляются ЭБУ. Время открытия форсунок определяет количество впрыскиваемого топлива. |
| Модуль зажигания (или индивидуальные катушки) | Генерирует высокое напряжение для свечей зажигания. | Управляется ЭБУ. Обеспечивает искру в нужный момент для воспламенения смеси. |
| Топливный насос | Подает топливо из бака под давлением к форсункам. | Электрический, расположен в топливном баке. Создает необходимое давление в топливной рампе. |
| Регулятор давления топлива | Поддерживает постоянное давление топлива в топливной рампе. | Механический или электронный. Обеспечивает стабильную работу форсунок независимо от нагрузки. |
| Главное реле | Подает питание на ЭБУ, топливный насос и другие компоненты системы впрыска. | Управляется замком зажигания. При его неисправности система не запускается. |
| Реле топливного насоса | Включает и выключает топливный насос. | Управляется ЭБУ. Включается на несколько секунд при включении зажигания и постоянно при работающем двигателе. |
| Проводка | Соединяет все компоненты системы. | Многожильные провода, защищенные изоляцией. Важна целостность и надежность контактов для корректной работы системы. |
Интересные факты
Вот несколько интересных фактов о схеме проводки ВАЗ-2110 с инжектором и особенностях её работы:
-
Модульная структура: Схема проводки ВАЗ-2110 имеет модульную структуру, что облегчает диагностику и ремонт. Каждый модуль отвечает за определённые функции, такие как управление двигателем, системы зажигания и электрооборудование, что позволяет быстро локализовать неисправности.
-
Электронный блок управления (ЭБУ): ВАЗ-2110 использует ЭБУ для управления инжектором, который принимает данные от различных датчиков (например, датчика температуры, массового расхода воздуха) и регулирует подачу топлива и зажигание. Это позволяет оптимизировать работу двигателя и снизить расход топлива.
-
Система самодиагностики: ВАЗ-2110 оснащена системой самодиагностики, которая позволяет выявлять неисправности в работе двигателя и других систем автомобиля. При помощи специального сканера можно считать коды ошибок, что значительно упрощает процесс ремонта и обслуживания автомобиля.
Эти особенности делают ВАЗ-2110 с инжектором более современным и удобным в эксплуатации автомобилем по сравнению с предыдущими моделями.

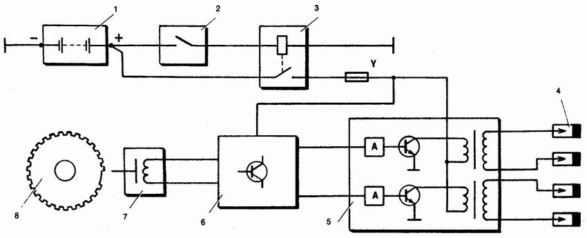
Бесконтактная система зажигания
Для оптимизации процесса искрообразования топливовоздушной смеси в цилиндрах двигателя используется бесконтактная система зажигания.
На представленном рисунке обозначены следующие элементы:
- Аккумуляторная батарея (АКБ);
- Устройство прерывания зажигания;
- Реле для устройства прерывания зажигания;
- Свечи зажигания;
- Электронный модуль зажигания;
- Электронный контроллер;
- Датчик, расположенный в передней части двигателя, который отслеживает положение коленчатого вала;
- Задающий диск.
Схема электропроводки ВАЗ 2106: ключевые моменты обслуживания.
Плавкие предохранители
Большинство электрических цепей и вся электропроводка ваз 2110 на инжектор защищена от короткого замыкания плавкими предохранителями.
Однако, без защиты на ВАЗ 2110 находится:
- Провод от реле заряда аккумуляторной батареи к самой батарее,
- Проводка ваз 2110 на инжектор, отвечающая за цепи зажигания и пуска двигателя;
- Проводка генератора (исключая обмотку возбуждения, которая активируется после поворота ключа в замке зажигания и запуска двигателя).

Система впрыска топлива
Если вы планируете самостоятельно обслуживать систему впрыска топлива, вам необходимо разобраться в ее устройстве и принципах работы.
Согласно общепринятой схеме:
- Количество топлива, необходимое для формирования порции смеси, регулируется контроллером, который отправляет импульсные сигналы на форсунки;
- Контроллер перед подачей сигнала анализирует данные, поступающие от датчиков, о функционировании двигателя внутреннего сгорания и его систем;
- На основе этих данных он вычисляет продолжительность импульса.
Для лучшего понимания работы инжекторного мотора рекомендуется ознакомиться с видео материалами. В них вы сможете увидеть, что импульс длится всего лишь сотые доли секунды, но даже незначительное изменение этого времени может существенно повлиять на объем подаваемого топлива в цилиндры.
Контроллер в своей работе опирается на информацию от:
- Датчика оборотов двигателя (обозначен на схеме как 1);
- Датчика расхода воздуха (2);
- Датчика положения коленвала (вход 2).
На основании этих данных он выполняет заложенный алгоритм:
- Отправляет импульс для активации топливных форсунок (4);
- Отправляет импульс на свечи зажигания (5).
Дополнительные сведения можно найти в статье «Схема проводки ВАЗ 21124: разбираемся в тонкостях».
Выводы
Понимая принципы работы инжекторного двигателя, а также схему защиты электропроводки от короткого замыкания, вы легко можете обнаруживать проблемные участки и принимать меры к их оперативному устранению.
Диагностика и устранение неисправностей
Система впрыска на ВАЗ-2110 инжектор требует внимательного подхода и знания основных принципов работы автомобиля. Важно понимать, что неисправности могут возникать как в электрической, так и в механической части системы. Для начала диагностики необходимо использовать специальное оборудование, такое как сканер OBD-II, который позволяет считывать коды ошибок и параметры работы двигателя.
Первым шагом в диагностике является проверка наличия кодов ошибок. Если сканер показывает ошибки, необходимо расшифровать их и определить, какая именно система или компонент требует внимания. Например, код ошибки P0300 указывает на случайные пропуски зажигания, что может свидетельствовать о проблемах с катушками зажигания, свечами или системой подачи топлива.
После считывания кодов ошибок следует провести визуальный осмотр системы впрыска. Необходимо проверить состояние проводки, разъемов и датчиков. Часто причиной неисправностей становятся окисленные контакты или поврежденные провода. Важно также обратить внимание на состояние топливного фильтра и насосов, так как засорение фильтра может привести к недостаточной подаче топлива в систему.
Если визуальный осмотр не выявил явных проблем, следует проверить работу датчиков. Например, датчик массового расхода воздуха (ДМРВ) можно протестировать с помощью мультиметра, измеряя его сопротивление и напряжение на выходе. Неправильные показания могут указывать на необходимость замены датчика.
Также стоит проверить систему зажигания. Для этого необходимо протестировать катушки зажигания и свечи. Если свечи покрыты нагаром или имеют механические повреждения, их следует заменить. Важно помнить, что неправильная работа системы зажигания может привести к увеличенному расходу топлива и ухудшению динамики автомобиля.
После устранения выявленных неисправностей необходимо сбросить коды ошибок с помощью сканера и провести тест-драйв, чтобы убедиться в правильной работе системы. Если ошибки не появляются, значит, диагностика и устранение неисправностей прошли успешно. В противном случае следует повторить диагностику, возможно, с более глубоким анализом системы.
В заключение, диагностика и устранение неисправностей системы впрыска на ВАЗ-2110 инжектор требует системного подхода и внимательности. Знание основных принципов работы системы и использование современного диагностического оборудования помогут быстро выявить и устранить проблемы, обеспечивая надежную работу автомобиля.
Вопрос-ответ
Порядок работы цилиндров ВАЗ 2110?
Автомобили ВАЗ моделей 2110, 2114 и 2115 оснащены рядными 4-цилиндровыми двигателями с классической системой зажигания. Их порядок работы и зажигания цилиндров одинаковый – 1-3-4-2.
Какое реле отвечает за искру ВАЗ 2110?
Втягивающее реле ПРАМО (ИСКРА) ВАЗ 2110, 16.670.531, SSI0531 на стартеры ПРАМО 2110, 2108 и 2101 (MA1049).
Как проверить, работает ли генератор на ВАЗ 2110?
О качественной работе генератора ВАЗ 2110 можно судить по контрольной лампе, расположенной на приборной панели. До запуска двигателя при включенном зажигании она должна непрерывно гореть, что говорит о ее работоспособности.
Какие провода идут на замок зажигания ВАЗ 2110?
Электросхема замка зажигания ВАЗ 2110 несложная. При повороте ключа в первое положение (ACC) подается питание на контакты INT и Х. Во втором положении (ON) подключается контакт 15, а в третьем (START) – замыкается цепь 50, запуская стартер.
Советы
СОВЕТ №1
Перед началом работы с проводкой ВАЗ-2110 инжектор, обязательно ознакомьтесь с электрической схемой автомобиля. Это поможет вам лучше понять, как устроены различные компоненты и их взаимосвязи, что значительно упростит процесс диагностики и ремонта.
СОВЕТ №2
Используйте качественные инструменты и материалы при работе с проводкой. Это включает в себя изоленту, термоусадочные трубки и специальные соединители. Хорошее качество материалов обеспечит надежность соединений и предотвратит возможные короткие замыкания.
СОВЕТ №3
При проведении работ по ремонту или замене проводки, делайте фотографии или записывайте, как были подключены провода. Это поможет вам избежать путаницы при сборке и обеспечит правильное подключение всех компонентов.
СОВЕТ №4
Не забывайте о безопасности. Перед началом работы отключите аккумулятор, чтобы избежать поражения электрическим током или случайного замыкания. Также рекомендуется использовать защитные очки и перчатки.



