В статье рассмотрим схему электропроводки автомобиля Мерседес 124 и предоставим инструкцию по замене проводки. Электрооборудование критично для работы автомобиля, и знание схемы поможет в диагностике и ремонте. Также поделимся фото и видео-уроками для упрощения процесса и обсудим стоимость необходимых материалов и комплектующих.
Особенности электрооборудования
Автомобиль Мерседес W124 значительно выделяется на фоне отечественных легковых машин, включая даже самые современные модели. Примечательно, что за время его производства было установлено семь различных силовых установок, не считая ежегодных обновлений, которые происходили на протяжении 13 лет.
На модели Мерседес в кузове W124 (в дальнейшем переименованном в класс Е) устанавливались бензиновые двигатели:
- Двухлитровые силовые агрегаты из семейства М102 и М111;
 - Их модификации объемом 2,2 л и 2,3 л;
 - Двигатели модели М104 с объемами 2,8 л, 3,0 л, 3,2 л, 3,4 л и 3,6 л;
 - Два двигателя модели М119 с объемами 4,2 л и 5,0 л.
 
В линейке также присутствовали дизельные двигатели:
- 2,0 л OM601 l4;
 - 2,5 л OM602 l5;
 - Два трехлитровых двигателя модели OM603.
 
Также рекомендуем ознакомиться со схемой проводки УАЗ 3303 и изучить особенности ее эксплуатации.
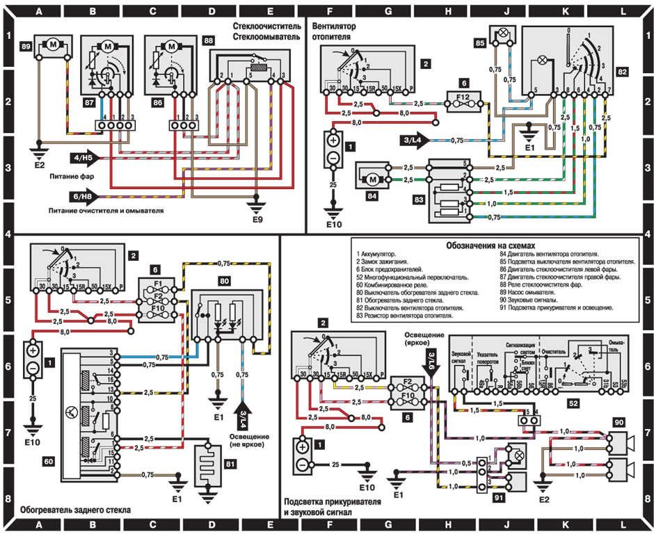
Эксперты отмечают, что схема электропроводки Mercedes-Benz W124 представляет собой сложную и продуманную систему, обеспечивающую надежную работу электрооборудования автомобиля. Одной из ключевых особенностей является использование высококачественных материалов, что способствует долговечности и устойчивости к внешним воздействиям. Специалисты подчеркивают важность правильной диагностики и обслуживания электрической системы, так как даже незначительные повреждения проводки могут привести к серьезным сбоям в работе. Также стоит отметить, что наличие множества датчиков и управляющих блоков требует внимательного подхода к ремонту и модернизации. В целом, грамотное понимание схемы электропроводки позволяет значительно повысить эксплуатационные характеристики автомобиля и продлить его срок службы.

Система питания
Вносимые изменения и различная комплектация существенно влияли на электрическую схему автомобиля. В частности:
- На авто первых лет выпуска устанавливалась система впрыска KE-Jetronic производства компании BOSCH;
 - В последующие годы она была заменена на электронную систему LH-Jetronic;
 - Дизельные версии также отличались разнообразными электрическими схемами.
 
Справочно: Небывалой популярности W124, позже переименованного в класс Е, способствовало и 4 типа кузовов, не считая автомобилей с кузовами специального назначения – скорые помощи, похоронные катафалки и т.п., построенные на удлиненном шасси W124.
| Система/Узел | Особенности электрооборудования W124 | Возможные проблемы и их диагностика | 
|---|---|---|
| Система зажигания | – Классическая контактная или бесконтактная (транзисторная) система в зависимости от года выпуска и двигателя.  – Распределитель зажигания с центробежным и вакуумным регуляторами. – Высоковольтные провода с медными жилами (ранние модели) или резистивные (поздние).  | 
– Пропуски зажигания: износ свечей, неисправность ВВ-проводов, катушки зажигания, коммутатора (для бесконтактной).  – Нестабильный холостой ход: неисправность датчика Холла (для бесконтактной), загрязнение контактов распределителя. – Диагностика: проверка искры, сопротивления ВВ-проводов, осциллограмма зажигания.  | 
| Система впрыска топлива (KE-Jetronic/LH-Jetronic) | – KE-Jetronic (механическая с электронным управлением): ЭБУ управляет давлением топлива, регулируя дозатор-распределитель. Датчики: температуры ОЖ, положения дроссельной заслонки, расхода воздуха (потенциометр).  – LH-Jetronic (электронная): ЭБУ управляет форсунками, основываясь на показаниях датчика массового расхода воздуха (ДМРВ). Датчики: температуры ОЖ, положения дроссельной заслонки, лямбда-зонд.  | 
– KE-Jetronic: Плавающие обороты, повышенный расход топлива: неисправность потенциометра расходомера воздуха, датчика температуры ОЖ, регулятора холостого хода.  – LH-Jetronic: Потеря мощности, черный дым: неисправность ДМРВ, лямбда-зонда, датчика положения дроссельной заслонки. – Диагностика: считывание кодов ошибок (для LH-Jetronic), проверка показаний датчиков, давления топлива.  | 
| Система зарядки | – Генератор переменного тока с встроенным регулятором напряжения.  – Аккумуляторная батарея 12В.  | 
– Недостаточная зарядка: износ щеток генератора, неисправность регулятора напряжения, обрыв обмотки генератора.  – Перезарядка: неисправность регулятора напряжения. – Диагностика: проверка напряжения на клеммах аккумулятора при работающем двигателе, проверка тока зарядки.  | 
| Система освещения | – Фары головного света (галогенные или ксеноновые – опционально), задние фонари, указатели поворотов, противотуманные фары.  – Реле и предохранители для защиты цепей. – Переключатель света с несколькими положениями.  | 
– Отсутствие света: перегоревшие лампы, неисправность предохранителя, реле, переключателя.  – Мерцание света: плохой контакт, неисправность генератора. – Диагностика: проверка ламп, предохранителей, реле, целостности проводки.  | 
| Система комфорта (стеклоподъемники, центральный замок, климат-контроль) | – Электрические стеклоподъемники с индивидуальными моторами и блоком управления.  – Центральный замок с вакуумным или электрическим приводом (в зависимости от комплектации). – Климат-контроль с электронным блоком управления, датчиками температуры, сервоприводами заслонок.  | 
– Неработающие стеклоподъемники: неисправность мотора, кнопки, блока управления, обрыв проводки.  – Неработающий центральный замок: неисправность вакуумного насоса (для вакуумного), мотора (для электрического), блока управления, обрыв проводки. – Некорректная работа климат-контроля: неисправность датчиков, сервоприводов, блока управления. – Диагностика: проверка питания, целостности проводки, работоспособности компонентов.  | 
| Система ABS/ASR (опционально) | – Блок управления ABS/ASR, датчики скорости колес, гидравлический блок с модулятором давления. | – Горит лампа ABS/ASR: неисправность датчика скорости колеса, блока управления, гидравлического блока, обрыв проводки.  – Некорректная работа ABS/ASR: загрязнение датчиков, неисправность гидравлического блока. – Диагностика: считывание кодов ошибок, проверка показаний датчиков скорости колес.  | 
| Приборная панель | – Спидометр, тахометр, указатели уровня топлива и температуры ОЖ, контрольные лампы.  – Электронные компоненты для обработки сигналов.  | 
– Неработающие приборы: неисправность датчиков (скорости, уровня топлива, температуры), обрыв проводки, неисправность самой приборной панели.  – Горят контрольные лампы: указывает на неисправность соответствующей системы. – Диагностика: проверка датчиков, проводки, считывание кодов ошибок (если применимо).  | 
Интересные факты
Вот несколько интересных фактов о схеме электропроводки Mercedes-Benz W124 и особенностях его электрооборудования:
- 
Модульная система: Электропроводка Mercedes-Benz W124 использует модульный подход, что позволяет легко заменять отдельные компоненты без необходимости замены всей проводки. Это значительно упрощает обслуживание и ремонт, а также снижает затраты на обслуживание.
 - 
Система CAN: В некоторых версиях W124 была внедрена система передачи данных CAN (Controller Area Network), что позволило улучшить взаимодействие между различными электронными модулями автомобиля. Это обеспечивало более быструю и надежную передачу данных, что, в свою очередь, повышало общую надежность электрооборудования.
 - 
Управление освещением: В Mercedes-Benz W124 была реализована уникальная система управления освещением, которая включала автоматическое включение фар при недостаточной освещенности. Это было новшеством для своего времени и повышало безопасность на дороге, позволяя водителям не беспокоиться о включении фар в условиях плохой видимости.
 
Эти особенности делают W124 не только классическим автомобилем, но и примером передовых технологий своего времени.

Системы комфорта
Разные комплектации автомобиля влияли на количество и виды электронных систем.
Среди характеристик, которые ранее не были характерны для отечественного автопроизводства, можно выделить:
- Центральный замок;
 - Иммобилайзер;
 - Электрические приводы для ремней безопасности;
 - Подушки безопасности;
 - Раздельный климат-контроль.
 
Советы по ремонту
За годы эксплуатации модели Мерседес 124 отечественные автовладельцы накопили достаточный опыт обслуживания и ремонта вышедших из строя узлов и агрегатов. Механические и кузовные детали машин не вызывают особых сложностей, а вот электрические схемы, большая часть из которых впервые появилась на этом автомобиле, вызывает некоторые вопросы.
Смотрите также схему электропроводки УАЗ 31512 и разбирайтесь в индексах.
На автомобилях с кузовом «универсал» была функция REST – обогрев салона остаточным теплом двигателя.
Оценив по достоинству в наших суровых климатических условиях подобную функцию комфорта, многие владельцы Мерседесов 124 без данной опции самостоятельно ее устанавливали:
- Приобреталась кнопка включения;
 - Приобреталось реле отключения (двухрежимное), работающее от датчиков температуры охлаждающей жидкости и фиксируемого времени срабатывания (25-30 минут);
 - Докупалась дополнительная проводка Мерседес 124 для подключения новых компонентов.
 
Справочно: данная функция позволяет в дождливую или холодную погоду, оставляя автомобиль на стоянке у магазина, принудительно активировать вентилятор печки и циркуляцию антифриза по малому контуру. Благодаря этому, по возвращению водителя в машину, стекла останутся не запотевшими, а в салоне будет комфортная температура.
От владельца требуется:
- выбрать место для установки кнопки на панели приборов;
 - протянуть провод под панелью приборов к циркуляционному насосу системы охлаждения;
 - второй провод подключить к датчику температуры;
 - электрическую цепь защитить плавким предохранителем;
 - подключить кнопку к подсветке приборов и органов управления в ночное время;
 - пользоваться полученным результатом.
 
Справочно: по уверениям автовладельцев, самостоятельно установивших данную функцию, цена вопроса – пару сотен рублей и один вечер работы. Также неплохим подспорьем для подобной переделки может послужить любительское видео на нашем сайте.
Выводы: судя по техническому состоянию автомобилей Мерседес 124, которым они обязаны заботливым рукам автовладельцев, данное транспортное средство еще долгие годы будет бороздить отечественные дороги. Надеемся, что наши советы и цветные схемы электрических систем помогут и дальше поддерживать модель «124» в исправном состоянии.
Смотрите также схему электропроводки УАЗ 452.

Системы безопасности
в автомобиле Mercedes-Benz W124 представляют собой важный аспект, обеспечивающий защиту водителя и пассажиров. Эти системы включают в себя как активные, так и пассивные элементы, которые работают в тандеме для минимизации риска травм при авариях и повышения общей безопасности на дороге.
Одной из ключевых систем безопасности является система подушек безопасности. В зависимости от комплектации автомобиля, W124 может быть оснащен фронтальными подушками безопасности для водителя и переднего пассажира, а также боковыми подушками, которые обеспечивают защиту в случае бокового удара. Подушки безопасности активируются датчиками, которые определяют силу удара и угол столкновения, что позволяет минимизировать риск травм.
Кроме того, в Mercedes-Benz W124 предусмотрены системы активной безопасности, такие как антиблокировочная система тормозов (ABS) и система контроля устойчивости (ESP). ABS предотвращает блокировку колес при резком торможении, что позволяет водителю сохранять управляемость автомобиля. ESP, в свою очередь, помогает предотвратить занос, автоматически регулируя тормозное усилие на отдельных колесах.
Электропроводка, отвечающая за работу систем безопасности, тщательно спроектирована и защищена от внешних воздействий. Она включает в себя множество датчиков, которые контролируют состояние различных систем, таких как тормоза, рулевое управление и подвеска. Эти датчики передают информацию в центральный блок управления, который обрабатывает данные и принимает решения о необходимости активации тех или иных систем безопасности.
Важно отметить, что системы безопасности Mercedes-Benz W124 также включают в себя элементы, такие как ремни безопасности с преднатяжителями, которые автоматически натягиваются в момент столкновения, обеспечивая дополнительную защиту. Кроме того, в некоторых моделях предусмотрены системы, предупреждающие водителя о необходимости пристегнуть ремень безопасности.
В заключение, системы безопасности в Mercedes-Benz W124 представляют собой комплекс взаимосвязанных технологий, направленных на защиту водителя и пассажиров. Правильное функционирование этих систем зависит от надежности электропроводки и качества используемых компонентов, что подчеркивает важность регулярного технического обслуживания и диагностики автомобиля.
Вопрос-ответ
Какие основные компоненты входят в схему электропроводки Мерседес 124?
В схему электропроводки Мерседес 124 входят такие основные компоненты, как аккумулятор, генератор, стартер, блок предохранителей, различные датчики, а также системы освещения и управления. Каждое из этих устройств играет важную роль в обеспечении надежной работы электрооборудования автомобиля.
Каковы особенности электрооборудования Мерседес 124 по сравнению с другими моделями?
Электрооборудование Мерседес 124 отличается высокой надежностью и долговечностью. В отличие от более современных моделей, в 124-й серии используется менее сложная электроника, что облегчает диагностику и ремонт. Также стоит отметить, что в этой модели применяются качественные материалы, что снижает вероятность коррозии и повреждений проводки.
Где можно найти схемы электропроводки для Мерседес 124?
Схемы электропроводки для Мерседес 124 можно найти в официальных сервисных мануалах, специализированных автомобильных форумах, а также на сайтах, посвященных ремонту и обслуживанию автомобилей. Кроме того, существуют электронные базы данных, где можно скачать необходимые схемы в формате PDF.
Советы
СОВЕТ №1
Перед началом работы с электропроводкой Мерседес 124 обязательно ознакомьтесь с электрической схемой вашего автомобиля. Это поможет избежать ошибок и упростит процесс ремонта или замены компонентов.
СОВЕТ №2
Используйте качественные инструменты и материалы при работе с электропроводкой. Это обеспечит надежность соединений и предотвратит возможные короткие замыкания или другие проблемы в будущем.
СОВЕТ №3
Регулярно проверяйте состояние проводки и соединений. Обратите внимание на признаки износа, такие как трещины, коррозия или обнаженные провода, чтобы предотвратить серьезные неисправности.
СОВЕТ №4
Если вы не уверены в своих навыках работы с электрооборудованием, лучше обратиться к профессионалам. Неправильные действия могут привести к дорогостоящим повреждениям или даже угрозе безопасности на дороге.



