В статье рассмотрим проводку ВАЗ 2109 под капотом и предложим пошаговую инструкцию по диагностике и замене электропроводки. Правильная работа электрической системы автомобиля важна для его надежности и безопасности, поэтому знание о выявлении и устранении неисправностей поможет избежать проблем на дороге. Предоставим советы, фото и видео-уроки, чтобы сделать процесс ремонта понятным и доступным для владельцев ВАЗ 2109.
Основные причины отказа
Если ваш двигатель не запускается, но стартер при этом вращает коленчатый вал, то можно выделить несколько основных причин:
- Возможно, в цилиндры не поступает топливовоздушная смесь;
- Либо отсутствует искра, которая необходима для воспламенения этой смеси.
Также ознакомьтесь со схемой электропроводки УАЗ.
Эксперты отмечают, что диагностика проводки ВАЗ 2109 под капотом является важным этапом в обслуживании автомобиля. Первым делом рекомендуется визуально осмотреть проводку на наличие повреждений, коррозии или перегибов. Часто проблемы возникают из-за износа изоляции, что может привести к коротким замыканиям. Специалисты советуют использовать мультиметр для проверки целостности проводов и напряжения на различных узлах. Также стоит обратить внимание на соединения и разъемы, которые могут окисляться и терять контакт. Регулярная диагностика поможет избежать серьезных поломок и продлить срок службы автомобиля.

Система питания
Проверить, поступает ли топливо в цилиндры довольно просто. Для этого:
- Берем свечной ключ из штатного набора инструментов;
- Снимаем высоковольтный провод со свечи первого цилиндра;
- Выкручиваем свечу зажигания своими руками;
- Внимательно ее рассматриваем.
Совет: если свеча мокрая и от нее пахнет бензином, значит топливовоздушная смесь в цилиндры поступает. Следует искать причину отказа в ней. Если же нет – то нужно искать причину в узлах системы питания. Видео об устранении подобных отказов есть в интернете.
| Проблема | Возможная причина | Диагностика и решение |
|---|---|---|
| Двигатель не запускается | Обрыв или окисление провода питания стартера | Проверить напряжение на стартере при повороте ключа зажигания. Зачистить контакты или заменить провод. |
| Двигатель запускается, но глохнет | Неисправность датчика положения коленвала (ДПКВ) | Проверить сопротивление ДПКВ (должно быть в пределах 550-750 Ом). Заменить датчик при необходимости. |
| Не работает бензонасос | Обрыв цепи питания бензонасоса, неисправность реле бензонасоса | Проверить предохранитель бензонасоса. Проверить наличие напряжения на контактах реле. Заменить реле или устранить обрыв. |
| Не работает система зажигания (нет искры) | Неисправность модуля зажигания, катушки зажигания, коммутатора | Проверить наличие искры на свечах. Проверить сопротивление первичной и вторичной обмоток катушки зажигания. Заменить неисправный элемент. |
| Не работает вентилятор охлаждения двигателя | Обрыв цепи питания вентилятора, неисправность датчика температуры охлаждающей жидкости, неисправность реле вентилятора | Проверить предохранитель вентилятора. Проверить сопротивление датчика температуры. Проверить наличие напряжения на контактах реле. Заменить неисправный элемент. |
| Не работают фары/габаритные огни | Обрыв цепи питания, неисправность предохранителя, неисправность переключателя света | Проверить предохранители. Проверить наличие напряжения на контактах переключателя. Устранить обрыв или заменить неисправный элемент. |
| Не работает звуковой сигнал | Обрыв цепи питания, неисправность предохранителя, неисправность кнопки сигнала | Проверить предохранитель. Проверить наличие напряжения на контактах кнопки. Устранить обрыв или заменить неисправный элемент. |
| Не работает генератор (нет зарядки аккумулятора) | Обрыв цепи возбуждения генератора, неисправность регулятора напряжения, неисправность диодного моста | Проверить напряжение на клеммах аккумулятора при работающем двигателе (должно быть 13.8-14.5 В). Проверить целостность проводов. Заменить неисправный элемент. |
| Не работает датчик уровня топлива | Обрыв цепи датчика, неисправность самого датчика | Проверить сопротивление датчика (должно меняться в зависимости от уровня топлива). Устранить обрыв или заменить датчик. |
| Не работает датчик давления масла | Обрыв цепи датчика, неисправность самого датчика | Проверить наличие давления масла механическим манометром. Устранить обрыв или заменить датчик. |
Интересные факты
Вот несколько интересных фактов о проводке ВАЗ 2109 под капотом и диагностике:
-
Сложная система соединений: Проводка ВАЗ 2109 включает в себя множество соединений и разъемов, которые могут со временем окисляться или повреждаться. Это может привести к сбоям в работе электрооборудования. Регулярная проверка и очистка контактов могут значительно повысить надежность автомобиля.
-
Диагностика с помощью мультиметра: Для диагностики проводки можно использовать мультиметр, который позволяет проверять целостность проводов и наличие напряжения на различных участках. Это особенно полезно для выявления проблем с системой зажигания и электрооборудованием.
-
Схемы подключения: В интернете можно найти множество схем подключения проводки ВАЗ 2109, которые помогут в диагностике и ремонте. Знание схемы поможет быстрее локализовать проблему и избежать лишних затрат на ненужные детали.

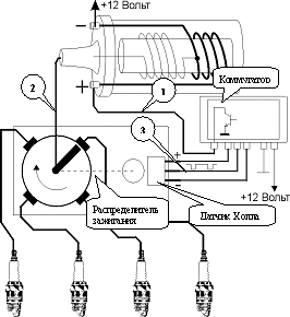
Система зажигания
В первую очередь, диагностику неисправности рекомендуется начинать с проверки системы зажигания, так как в процессе формирования искры участвует множество компонентов:
- Свечи зажигания;
- Высоковольтные провода;
- Распределитель зажигания (для карбюраторных двигателей);
- Датчик Холла;
- Коммутатор;
- Катушка зажигания.
Алгоритм поиска
Начинать нужно с простого – определить, подается ли электрический импульс на свечи зажигания:
- Снимаем наконечник с первой свечи;
- Оголяем его контакт;
- Подносим к металлической части (можно к блоку цилиндров) на расстояние в 4-5 мм;
- Запускаем на пару секунд стартер;
- Смотрим – есть ли искра.
Совет: в такой способ мы разделяем поиски неисправности. Если искра на свечи подается – то вряд ли все 4 вышли из строя. А значит, проблему отказа следует искать в системе питания.
Узнайте также об особенностях схемы электропроводки Мерседес 124.
Если искры нет, то продолжаем поиски неисправности системы зажигания.
Для этого проводим проверку «на искру»:
- Извлекаем из крышки трамблера (распределителя зажигания) центральный провод, идущий от катушки;
- Снова подносим его к металлической детали двигателя;
- Запускаем стартер и следим – не проскочит ли электрический разряд.
Совет: Если искры нет, то дальнейшие поиски неисправности следует осуществлять с помощью диагностических средств. Причем, подобные устройства должны быть у каждого владельца, осуществляющего самостоятельное обслуживание автомобиля. Тем более, что цена на них невысока.
Простейшие, но эффективные приборы давно выпускаются для автомобилистов. С их помощью можно диагностировать достаточно большой контингент автомобилей отечественного автопрома:
- Семейство автомобилей ВАЗ (модели 2108, 2109, 2110), имеющих одинаковые разъемы электронных коммутаторов;
- Автомобили украинского происхождения (Таврия и ЗАЗ);
- Автомобили ОКА и т.п.
Конечно, с их помощью нельзя определить, нужна ли замена подкапотной проводки ВАЗ 2109, но обнаружить отказавший электронный блок или электрическую цепь они в состоянии. В их функции входит:
- Проверка работоспособности катушки зажигания;
- Проверка датчика Холла;
- Проверка работы замка зажигания и контактной группы;
- Проверка реле зажигания.
Достаточно подключить прибор МД-1 вместо штатного коммутатора и включить зажигание (не заводя мотор). С помощью встроенных в корпус светодиодных ламп мы увидим:
- Реле зажигания и замок исправны, если загорается светодиод «П»;
- Первичная обмотка в рабочем состоянии, если загорается светодиод «К»;
- На 1-2 секунды включаем стартер и следим за светодиодом «Д» – если начинает моргать, значит датчик Холла работоспособен.
Выводы: знание особенностей работы систем автомобиля ВАЗ-2109, и простейшие диагностические приборы помогут вам быстро найти проблему отказа и также быстро ее ликвидировать.
Смотрите также схему электропроводки УАЗ Хантер.

Проверка электрики и предохранителей
Проверка электрики и предохранителей в автомобиле ВАЗ 2109 — это важный этап диагностики, который позволяет выявить и устранить многие проблемы, связанные с работой электрической системы. В данной статье мы рассмотрим, как правильно провести эту проверку, какие инструменты могут понадобиться и на что стоит обратить особое внимание.
Первым шагом в диагностике электрики является визуальный осмотр подкапотного пространства. Необходимо обратить внимание на состояние проводки: наличие повреждений, коррозии, перегибов и других механических повреждений. Если вы заметили обнаженные участки проводов или трещины в изоляции, это может привести к короткому замыканию или другим неисправностям.
Следующим этапом является проверка предохранителей. ВАЗ 2109 оснащен несколькими предохранителями, которые защищают различные электрические цепи. Для проверки предохранителей вам понадобятся:
- Набор отверток;
- Мультиметр или тестер;
- Новые предохранители (в случае необходимости замены).
Чтобы проверить предохранители, выполните следующие шаги:
- Откройте крышку блока предохранителей, который обычно расположен под приборной панелью или в моторном отсеке.
- Визуально осмотрите каждый предохранитель на предмет повреждений. Если стеклянная трубка предохранителя потемнела или перегорела, это явный признак его неисправности.
- С помощью мультиметра проверьте целостность предохранителей. Установите мультиметр в режим измерения сопротивления и подключите щупы к контактам предохранителя. Если мультиметр показывает бесконечное сопротивление, значит, предохранитель перегорел и требует замены.
После проверки предохранителей, если все они целы, стоит обратить внимание на состояние реле. Реле могут также выходить из строя, что приводит к сбоям в работе электрических систем. Проверьте реле, которые отвечают за работу фар, стартера и других важных узлов. Для этого можно использовать аналогичный метод, как и для предохранителей.
Не забывайте, что при работе с электрической системой автомобиля необходимо соблюдать осторожность. Перед началом диагностики отключите аккумулятор, чтобы избежать случайного короткого замыкания или поражения электрическим током.
В случае, если после проверки предохранителей и реле проблемы с электрикой не исчезли, возможно, стоит обратиться к более глубоким уровням диагностики, таким как проверка проводки на наличие обрывов или замыканий. Для этого может потребоваться помощь специалиста или использование специализированного оборудования.
Таким образом, регулярная проверка электрики и предохранителей в ВАЗ 2109 поможет избежать серьезных поломок и обеспечит надежную работу автомобиля в любых условиях.
Вопрос-ответ
Где находится разъём для диагностики на ВАЗ 21099?
ВАЗ 2108, 2109, 21099, 2113, 2114, 2115 с европанелью: на центральной консоли под прикуривателем, прикрыт декоративной крышкой. Калина: около рычага КПП, также прикрыт крышкой. Лада Приора: на стенке за бардачком.
Какой программой читать АвтоВАЗ?
Диагностическая программа OpenDiag Pro предназначена для компьютерной диагностики инжекторных автомобилей отечественного производства ВАЗ, ГАЗ, УАЗ, ЗАЗ и Renault. Модуль для Renault активируется дополнительно за 1000 рублей.
Как в народе называют ВАЗ 2109?
ВАЗ-2109 «Спутник» (простореч.
Советы
СОВЕТ №1
Перед началом диагностики проводки под капотом ВАЗ 2109 обязательно отключите аккумулятор. Это поможет избежать короткого замыкания и защитит вас от электрического удара.
СОВЕТ №2
Используйте мультиметр для проверки целостности проводов и соединений. Измеряйте сопротивление и напряжение, чтобы выявить неисправные участки проводки. Это поможет вам быстро локализовать проблему.
СОВЕТ №3
Обратите внимание на состояние изоляции проводов. Если вы заметили трещины или обнаженные участки, замените поврежденные провода, чтобы предотвратить дальнейшие проблемы и обеспечить безопасность.
СОВЕТ №4
Регулярно проверяйте соединения и разъемы на наличие коррозии. Чистка контактов специальным средством или наждачной бумагой поможет улучшить проводимость и избежать проблем с электрической системой автомобиля.


