Контактная система зажигания (КСЗ) — ключевой элемент двигателей автомобилей ВАЗ-2106 и других моделей классического семейства, обеспечивающий воспламенение топливной смеси в цилиндрах. В статье рассмотрим схему и принцип работы КСЗ, а также ее особенности и преимущества. Понимание устройства и функционирования КСЗ поможет автовладельцам лучше разбираться в работе автомобиля и упростит диагностику и ремонт при неисправностях.
Устройство контактной системы зажигания
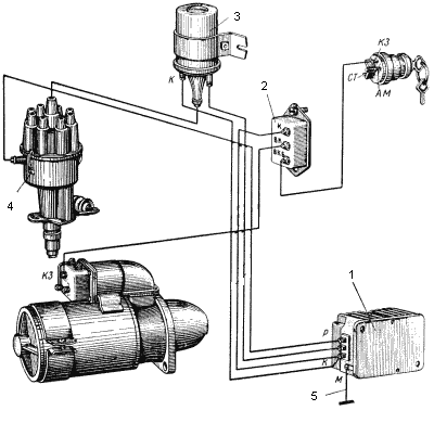
В состав контактной схемы зажигания входят:
- замок (выключатель);
 - катушка (КЗ);
 - прерыватель (МП);
 - распределитель (МР);
 - регуляторы: центробежный (ЦР) и вакуумный (ВР);
 - свечи (СЗ);
 - высоковольтные провода (ВП).
 
Катушка зажигания (КЗ) с двумя обмотками преобразует низкое напряжение в высокий ток.
Механический прерыватель (МП) объединен с механическим распределителем (МР) в одном корпусе — трамблере. Он размыкает первичную обмотку катушки зажигания.
Механический распределитель (МР) представляет собой ротор с контактной крышкой и распределяет ток к свечам зажигания.
Центробежный регулятор (ЦР) изменяет угол опережения зажигания (УОЗ) в зависимости от оборотов коленчатого вала. Он состоит из двух грузиков, которые воздействуют на подвижную пластину с кулачками механического прерывателя.
Вакуумный регулятор (ВР) корректирует угол опережения (УОЗ) в зависимости от нагрузки. При изменении положения дроссельной заслонки (ДЗ) меняется давление за ДЗ. ВР реагирует на уровень разряжения и корректирует величину УОЗ.
Эксперты в области автомобильной техники отмечают, что контактная система зажигания, несмотря на свою возрастную природу, продолжает оставаться актуальной для многих старых моделей автомобилей. Она обеспечивает надежное зажигание смеси топлива и воздуха, что критически важно для работы двигателя. Однако специалисты подчеркивают, что такая система требует регулярного обслуживания, включая проверку и замену контактных групп, что может быть трудоемким процессом.
С другой стороны, контактные системы менее чувствительны к качеству топлива, чем современные безконтактные аналоги. Это делает их предпочтительными для эксплуатации в условиях, где доступ к высококачественному топливу ограничен. Тем не менее, эксперты предостерегают от игнорирования современных технологий, которые предлагают более высокую эффективность и меньший расход топлива. В конечном итоге, выбор между контактной и безконтактной системой зажигания зависит от конкретных условий эксплуатации и предпочтений владельца автомобиля.

Принцип работыи схема контактной системы
Контактная система зажигания ВАЗ-2106 работает по следующей схеме. При замыкании контактов в прерывателе низкий ток поступает в первичную обмотку КЗ. При размыкании контактов индицируется высокий ток во вторичной обмотке КЗ, который по высоковольтным проводам передается сначала на крышку МР, а затем распределяется на свечи.
Увеличение оборотов коленвала приводит к росту скорости вращения ЦР, грузики которого расходятся в стороны под действием центробежных сил. В результате перемещается подвижная пластина, увеличивая УОЗ. Соответственно, при снижении оборотов угол опережения уменьшается.
Контактно транзисторная система зажигания – это модернизированный вариант классической схемы, в котором используется транзисторный коммутатор (ТК), включенный в цепь первичной обмотки КЗ. Такое конструктивное решение позволяет значительно увеличить срок работы контактов трамблера за счет снижения силы тока первичной обмотки.
| Компонент | Функция | Возможные неисправности и их признаки | 
|---|---|---|
| Прерыватель (трамблер) | Прерывает первичную цепь, создавая импульсы для катушки зажигания; распределяет высоковольтное напряжение на свечи зажигания. | Износ контактов (пропуски зажигания, нестабильные обороты), повреждение вакуумного регулятора (нестабильные обороты), износ кулачка (пропуски зажигания), люфт вала (нестабильные обороты). | 
| Катушка зажигания | Преобразует низкое напряжение бортовой сети в высоковольтное напряжение для свечей зажигания. | Пробой изоляции (пропуски зажигания, искра слабая или отсутствует), обрыв первичной или вторичной обмотки (отсутствие искры). | 
| Свечи зажигания | Поджигают топливно-воздушную смесь в цилиндрах двигателя. | Износ электродов (пропуски зажигания, снижение мощности), закоксовывание (пропуски зажигания), повреждение изолятора (пропуски зажигания). | 
| Высоковольтные провода | Передают высоковольтное напряжение от катушки зажигания к свечам зажигания. | Пробой изоляции (пропуски зажигания, искра может проскакивать на корпус), обрыв провода (отсутствие искры на соответствующей свече). | 
| Конденсатор (конденсатор прерывателя) | Подавляет радиопомехи, возникающие при размыкании контактов прерывателя, и защищает контакты от преждевременного износа. | Износ или короткое замыкание (пропуски зажигания, повышенный износ контактов прерывателя). | 
Интересные факты
Вот несколько интересных фактов о контактной системе зажигания:
- 
Принцип работы: Контактная система зажигания использует механический переключатель (контакты) для создания искры в свечах зажигания. Когда контакты замыкаются, ток проходит через катушку зажигания, создавая магнитное поле. При размыкании контактов это поле коллапсирует, что приводит к образованию высоковольтного импульса, вызывающего искру.
 - 
Регулировка зазора: Эффективность контактной системы зажигания во многом зависит от правильного зазора между контактами. Если зазор слишком мал, это может привести к преждевременному замыканию и перегреву, а если слишком велик — к слабой искре и проблемам с запуском двигателя.
 - 
Переход на электронные системы: Несмотря на свою простоту и надежность, контактные системы зажигания постепенно заменяются электронными системами. Электронные системы обеспечивают более точное управление зажиганием, что приводит к улучшению производительности двигателя, снижению расхода топлива и уменьшению выбросов вредных веществ.
 

Проверка системы зажигания ВАЗ-2106
Подготовьте крестовую и плоскую отвертки, контрольную лампу или тестер, резиновые перчатки и пассатижи. Перед проверкой контактного зажигания убедитесь, что стояночный тормоз включен или под колеса автомобиля установлены колодки.
- Внимательно осмотрите все элементы системы на повреждения и проверьте надежность соединений высоковольтных проводов. Они должны быть прочно зафиксированы.
 - Включите зажигание и проверьте поступление тока в систему. Подключите один провод лампы или тестера к массе, а другой к контакту «+Б» катушки. Лампа должна светиться, а тестер показывать напряжение выше 11 В. Затем выключите зажигание.
 - Для тестирования высоковольтного провода наденьте резиновые перчатки и извлеките центральный провод из крышки трамблера. Установите рабочую свечу в наконечник кабеля и прижмите ее металлической частью к массе. Включите зажигание и прокрутите коленвал. Если на свече появится искра, провод исправен. Если искры нет, ищите неисправность в трамблере.
 - Для проверки трамблера снимите крышку и осмотрите ее на наличие повреждений и целостность угольного контакта. При обнаружении дефектов замените крышку.
 - Проверьте ротор распределителя. Бегунок не должен иметь повреждений. Корпус ротора не должен пробивать на массу. Также проверьте работоспособность помехоподавляющего сопротивления в роторе. При сомнениях замените ротор.
 - Проверьте зазор между контактами МП. Установите коленвал так, чтобы верхний торец кулачка вала трамблера находился по центру текстолитовой подушки рычажка вращающего контакта. Измерьте зазор, который должен составлять 0,35-0,4 мм. При необходимости выполните регулировку. Затем проверьте угол опережения.
 - После устранения выявленных проблем или замены поврежденных компонентов запустите двигатель. Если мотор не заработал, замените конденсатор в прерывателе.
 
Полезные советы
- Если помехоподавляющее сопротивление в роторе трамблера вышло из строя, временно замените его пружиной от шариковой ручки.
 - Если возникла поломка замка зажигания или обрыв проводки, и питание не поступает к катушке зажигания, можно доехать до ближайшего сервисного центра, подключив аварийную подачу питания с помощью дополнительного провода. Один конец провода соедините с плюсовой клеммой аккумулятора, а другой — с клеммой «+Б» катушки. Следите за отсутствием искрения. Если появляются сильные искровые разряды, немедленно отключите провод, так как это указывает на проблему с проводкой.
 
Проблемы и неисправности контактной системы зажигания
Контактная система зажигания, несмотря на свою простоту и надежность, может сталкиваться с различными проблемами и неисправностями, которые могут негативно сказаться на работе двигателя автомобиля. Рассмотрим наиболее распространенные из них.
1. Износ контактных элементов. Контакты распределителя и свечей зажигания со временем подвергаются износу. Это может привести к плохому контакту, что, в свою очередь, вызывает перебои в зажигании. Регулярная проверка и замена контактных элементов помогут избежать этой проблемы.
2. Неправильный зазор между контактами. Если зазор между контактами слишком мал или слишком велик, это может привести к неправильному искрообразованию. В первом случае искра может не успевать образовываться, а во втором — быть слишком слабой. Регулировка зазора должна проводиться в соответствии с рекомендациями производителя.
3. Окисление контактов. Окисление контактных элементов может произойти из-за воздействия влаги и коррозионных факторов. Это приводит к ухудшению проводимости и, как следствие, к сбоям в работе системы зажигания. Очистка контактов специальными средствами или их замена поможет устранить эту проблему.
4. Неисправности катушки зажигания. Катушка зажигания является ключевым элементом в системе зажигания. Если она выходит из строя, это может привести к отсутствию искры или ее слабому образованию. Проверка катушки на наличие обрывов и коротких замыканий поможет выявить неисправность.
5. Проблемы с проводами. Износ или повреждение проводов, соединяющих катушку зажигания и свечи, также могут стать причиной неисправностей. Проводка должна быть в хорошем состоянии, без трещин и обрывов. Регулярная проверка состояния проводов поможет предотвратить проблемы.
6. Неправильная установка свечей зажигания. Свечи зажигания должны быть установлены правильно и соответствовать спецификациям автомобиля. Неправильная установка может привести к перегреву свечей или их преждевременному выходу из строя.
7. Низкое качество топлива. Использование некачественного топлива может привести к образованию отложений на свечах зажигания и других элементах системы. Это может вызвать проблемы с зажиганием и ухудшение работы двигателя. Рекомендуется использовать топливо, соответствующее стандартам, установленным производителем автомобиля.
Для диагностики и устранения проблем с контактной системой зажигания рекомендуется проводить регулярное техническое обслуживание, включая проверку всех компонентов системы, их чистку и замену при необходимости. Это поможет обеспечить надежную работу двигателя и избежать серьезных поломок в будущем.

Вопрос-ответ
Что такое контактная система зажигания и как она работает?
Контактная система зажигания — это система, используемая в бензиновых двигателях для создания искры, необходимой для воспламенения топливно-воздушной смеси. Она работает на основе прерывания электрического тока, проходящего через катушку зажигания, что вызывает образование высоковольтной искры на свечах зажигания. Когда контакты замыкаются, ток проходит через катушку, создавая магнитное поле, а при размыкании контактов это поле collapses, что и вызывает искру.
Какие основные компоненты входят в состав контактной системы зажигания?
Основные компоненты контактной системы зажигания включают катушку зажигания, распределитель, свечи зажигания и контакты. Катушка преобразует низкое напряжение аккумулятора в высокое, распределитель направляет искру к нужной свече зажигания, а контакты управляют циклом включения и выключения тока, создавая искру.
Каковы преимущества и недостатки контактной системы зажигания?
Преимущества контактной системы зажигания включают простоту конструкции и низкую стоимость ремонта. Однако недостатки заключаются в том, что она требует регулярного обслуживания, так как контакты могут изнашиваться и нуждаются в регулировке. Также такая система менее эффективна по сравнению с современными бесконтактными системами зажигания, которые обеспечивают более стабильную работу и меньшие потери энергии.
Советы
СОВЕТ №1
Проверяйте состояние контактной системы зажигания регулярно. Износ контактов может привести к плохому запуску двигателя и увеличенному расходу топлива. Рекомендуется очищать контакты от окислов и загрязнений, а также заменять их при необходимости.
СОВЕТ №2
Обратите внимание на зазоры между контактами. Неправильный зазор может вызвать перебои в работе двигателя. Используйте щуп для проверки и регулировки зазора в соответствии с рекомендациями производителя вашего автомобиля.
СОВЕТ №3
Следите за состоянием проводов и катушек зажигания. Изношенные или поврежденные провода могут привести к потере искры и, как следствие, к проблемам с запуском. Регулярно проверяйте их на наличие трещин и других повреждений.
СОВЕТ №4
Не забывайте о важности качественного топлива. Использование некачественного бензина может негативно сказаться на работе контактной системы зажигания, вызывая детонацию и преждевременный износ компонентов. Выбирайте проверенные АЗС и следите за качеством топлива.


