Замена фар на автомобилях ВАЗ 2108-2115 — важная процедура, обеспечивающая безопасность и улучшение видимости в темноте и плохих погодных условиях. В статье рассмотрим, как правильно снять и заменить фары, а также установить и настроить блок-фары. Это позволит вам самостоятельно выполнить задачу без обращения в сервисный центр. Правильная замена фар поможет избежать неприятностей и продлить срок службы автомобиля.
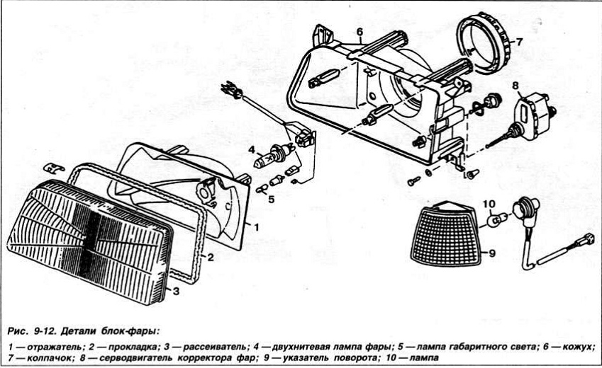
Как устроена блок-фара
Блок-фара формирует поток света для ближнего и дальнего освещения, а также сигнализирует о включении указателей поворота и габаритных огней. Основой фары является регулируемый рефлектор, который отвечает за высоту светового потока. Неправильная настройка рефлектора может ослепить водителей встречных автомобилей или недостаточно освещать дорогу. Регулировка рефлектора осуществляется двумя способами: с помощью винта и гидрокорректора. Винт фиксирует постоянную высоту света, а гидрокорректор изменяет высоту в зависимости от загрузки автомобиля. Электрическое питание для ламп блок-фары поступает через два разъема: один для ближнего и дальнего света, другой для указателей поворота. Стекло блок-фары рассекает световой поток и обеспечивает равномерное освещение пространства перед автомобилем.
Эксперты отмечают, что замена фар на автомобилях ВАЗ 2108-2115 является важной процедурой, которая не только улучшает видимость в темное время суток, но и повышает безопасность на дороге. С течением времени фары теряют свою прозрачность из-за воздействия ультрафиолетовых лучей и загрязнений, что может привести к снижению яркости света. Специалисты рекомендуют регулярно проверять состояние фар и при необходимости заменять их на новые. При выборе фар важно учитывать качество и соответствие оригинальным характеристикам автомобиля, чтобы избежать проблем с установкой и эксплуатацией. Кроме того, замена фар может быть выполнена самостоятельно, что позволяет сэкономить на услугах автосервиса. Однако, для достижения наилучших результатов, эксперты советуют обращаться к профессионалам, особенно если речь идет о современных светодиодных или ксеноновых фарах.

Видео – Замена корректора фар ВАЗ 2110, 2111, 2112

| Компонент фары | ВАЗ 2108 | ВАЗ 2109-2115 | Замечания | 
|---|---|---|---|
| Тип лампы ближнего света | H4 | H4 | Возможность установки ксенона – с модификациями | 
| Тип лампы дальнего света | H4 (встроен в ближний) | H4 (встроен в ближний) | |
| Тип лампы габаритного света | W5W | W5W | |
| Тип лампы указателя поворота | PY21W | PY21W | |
| Тип лампы заднего хода (если есть) | – | – | Зависит от комплектации | 
| Крепление фары | Винты и защелки | Винты и защелки | Проверить целостность креплений перед установкой | 
| Сложность замены | Легкая | Легкая | Необходимо отсоединить разъем питания и регулировочный механизм | 
| Время замены (при наличии опыта) | 5-10 минут | 5-10 минут | |
| Специальные инструменты | Плоская отвертка | Плоская отвертка | Возможно, потребуется ключ для регулировки фар | 
Интересные факты
Вот несколько интересных фактов о замене фар на автомобилях ВАЗ 2108-2115:
- 
Универсальность конструкции: Фары на моделях ВАЗ 2108-2115 имеют схожую конструкцию с фарами других автомобилей советского и постсоветского производства, что делает их замену более доступной. Это позволяет владельцам использовать запчасти от других моделей, что может снизить затраты на ремонт.
 - 
Легкость замены: Процесс замены фар на ВАЗ 2108-2115 достаточно прост и не требует специальных инструментов. Обычно достаточно открутить несколько винтов и отсоединить разъемы, что позволяет даже новичкам справиться с этой задачей без обращения в сервис.
 - 
Модернизация освещения: Многие владельцы ВАЗ 2108-2115 заменяют стандартные фары на более современные светодиодные или ксеноновые аналоги. Это не только улучшает видимость на дороге, но и придает автомобилю более современный и стильный вид. Однако при этом важно учитывать законодательные нормы, чтобы избежать проблем с инспекцией.
 

Как снимать блок-фару
При замене фары на автомобилях ВАЗ 2108-2115 выполните следующие шаги. Сначала отключите аккумулятор, чтобы избежать короткого замыкания или повреждения электрической системы. Затем отсоедините колодки проводов от разъемов фары; каждая блок-фара имеет две колодки. Далее снимите гидрокорректор:
- Отщелкните фиксаторы, поверните его против часовой стрелки и аккуратно извлеките из корпуса блок-фары.
 - Для демонтажа блока фары на моделях ВАЗ 2108-21099 открутите 4 гайки, крепящие фару по краям. Эти гайки находятся в подкапотном пространстве; понадобится головка на 10 мм и вороток с трещоткой.
 - После откручивания гаек аккуратно извлеките блок-фару из кузова.
 - На автомобилях ВАЗ 2110-2115 сначала удалите решетку радиатора, открутив 4 болта, затем снимите «ресничку» под фарой, которая фиксируется двумя защелками (для моделей 2110-2112) и одним винтом (для моделей 2113-2115).
 - После выкручивания винта потяните ресничку на себя. Под ней будет один из болтов крепления фары, остальные 4 находятся сверху и снизу. Открутив все болты, извлеките блок-фару из кузова.
 
Установка и настройка блок-фары ВАЗ
Установку проводите в порядке, обратном снятию. Чтобы настроить фары после замены, необходима вертикальная стена и ровная площадка перед ней. Размер площадки должен быть достаточен для того, чтобы поставить автомобиль на расстоянии 5 метров от стены. Перед началом настройки залейте полный бак бензина и посадите на водительское место ассистента, вес которого примерно равен вашему и установите гидрокорректор в положение водитель и пассажир. Это позволит более точно отрегулировать свет фар. Закройте левую фару куском картона или черной плоской тряпкой. Включите ближний свет.
Верхняя граница левой стороны светового пятна по высоте должна быть равна расстоянию от земли до середины фары. Правая граница пятна должна быть выше на 6-7 см. Нижняя часть светового пятна должна быть расположена напротив центра фары. Если световое пятно сдвинуто по вертикали, то сдвигайте его с помощью винта вертикальной регулировки (он расположен со стороны решетки радиатора в верхней части блок-фары). Если пятно сдвинуто по горизонтали, выровняйте его с помощью винта горизонтальной регулировки (он расположен в нижней части фары со стороны колеса). После того как отрегулировали блок фару, проверьте работу гидрокорректора. Для этого переключайте его в различные режимы и проверяйте, изменяется ли высота светового пятна.
Частые ошибки при замене фар и как их избежать
Замена фар на автомобилях ВАЗ 2108-2115 может показаться простой задачей, однако существует множество нюансов, которые могут привести к ошибкам. Рассмотрим наиболее распространенные ошибки и способы их предотвращения.
1. Неправильный выбор фар. При замене важно убедиться, что вы покупаете именно те фары, которые подходят для вашей модели автомобиля. Фары могут отличаться по типу крепления, форме и типу ламп. Рекомендуется заранее ознакомиться с техническими характеристиками и рекомендациями производителя.
2. Игнорирование состояния проводки. Перед установкой новых фар стоит проверить состояние проводки и разъемов. Если они повреждены или окислены, это может привести к неправильной работе новых фар. Рекомендуется очистить контакты и, при необходимости, заменить поврежденные участки проводки.
3. Неправильная установка фары. При установке фары важно следить за правильным расположением и креплением. Неправильная установка может привести к тому, что фара будет светить в неправильном направлении, что не только ухудшит видимость, но и может ослепить других водителей. Убедитесь, что фара надежно закреплена и правильно отрегулирована.
4. Пренебрежение регулировкой света. После установки новых фар необходимо провести их регулировку. Это можно сделать с помощью специального оборудования на СТО или самостоятельно, следуя инструкциям в руководстве пользователя. Неправильная регулировка может привести к неэффективному освещению дороги и увеличению риска аварий.
5. Использование неподходящих ламп. При замене ламп в фарах важно выбирать именно те, которые рекомендованы производителем. Использование ламп с неправильной мощностью или типом может привести к перегреву и выходу из строя как лампы, так и самой фары.
6. Пренебрежение герметичностью. При установке новых фар необходимо убедиться, что все уплотнители и герметики находятся в хорошем состоянии. Неправильная герметизация может привести к попаданию влаги внутрь фары, что вызовет запотевание и коррозию. Если уплотнители повреждены, их следует заменить.
7. Неправильная утилизация старых фар. После замены фар не стоит забывать о правильной утилизации старых компонентов. Многие элементы фар содержат опасные вещества, и их следует утилизировать в соответствии с местными нормами и правилами.
Избегая этих распространенных ошибок, вы сможете не только успешно заменить фары на своем автомобиле ВАЗ 2108-2115, но и обеспечить их долгую и надежную работу. Правильный подход к замене фар значительно повысит безопасность на дороге и улучшит видимость в темное время суток.
Вопрос-ответ
Как правильно выбрать новые фары для ВАЗ 2108-2115?
При выборе новых фар для ВАЗ 2108-2115 важно учитывать тип фары (галогенная или светодиодная), а также соответствие стандартам качества. Рекомендуется выбирать продукцию известных брендов, чтобы избежать проблем с установкой и долговечностью. Также стоит обратить внимание на отзывы других автовладельцев.
Какие инструменты понадобятся для замены фар?
Для замены фар на ВАЗ 2108-2115 вам понадобятся: крестовая и плоская отвертки, ключи на 10 и 13, а также, возможно, фонарик для лучшей видимости в труднодоступных местах. Наличие этих инструментов упростит процесс замены и сделает его более безопасным.
Каковы основные этапы замены фар на ВАЗ 2108-2115?
Основные этапы замены фар включают: 1) отключение аккумулятора для предотвращения короткого замыкания; 2) снятие старой фары, открутив крепежные болты; 3) установка новой фары на место; 4) подключение проводов и проверка работы; 5) закрепление фары и повторное подключение аккумулятора. Следуя этим шагам, вы сможете выполнить замену быстро и эффективно.
Советы
СОВЕТ №1
Перед началом замены фар убедитесь, что у вас есть все необходимые инструменты: отвертки, ключи и, возможно, плоскогубцы. Это поможет избежать лишних перерывов в процессе работы.
СОВЕТ №2
Обязательно отключите аккумулятор перед началом работы. Это предотвратит случайное короткое замыкание и защитит вас от электрического удара.
СОВЕТ №3
При установке новых фар следите за правильной ориентацией и плотностью крепления. Неправильная установка может привести к ухудшению видимости и даже повреждению фары.
СОВЕТ №4
После завершения замены фар проверьте их работу. Включите фары и убедитесь, что они светят правильно и не имеют дефектов. Это поможет избежать проблем на дороге.


